Zurück zu
>
Roth / TORO
>
Handgeräte
>
Schneefräsen
>
einstufig
>
CCR 2000
>
618/38185 C
>
9000001
>
Motor & Hauptrahmen
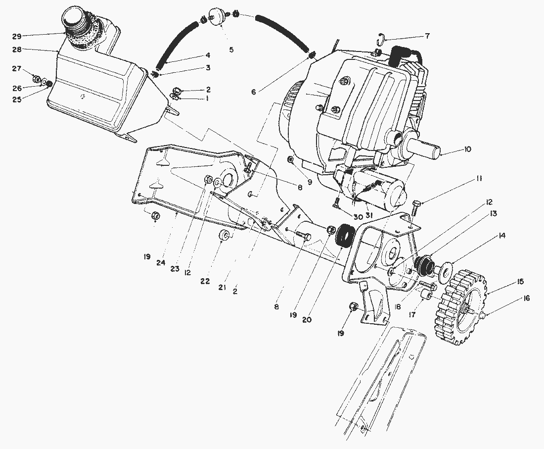
Ersatzteillisten für Toro Roth / TORO Motor & Hauptrahmen
Pos.
Bezeichnung
Ersatzteilnummer
Tank-Fuel (Incl. Ref.
13-2459
Pos.
Bezeichnung
Ersatzteilnummer
1
scheibe
3256-22
2
MUTTER
3296-42
3
Clamp
2412-86
4
Benzinleitung
49-2481
5
BENZINVORFILTER
56-6360
6
Schlauchklemme
2412-80
7
Kabelband
250-4
8
Schraube
321-4
9
Distanzscheibe
55-9620
10
Engine Assembly
62-6721
11
Schraube
322-3
12
Tellerscheibe
3290-456
13
Halterung
55-9460
14
Tube-Spacer
55-9470
15
Rad
66-6510
16
Wellensicherung
32112-14
17
Distanzbuechse
66-6501
18
SCHRAUBE
81-0570
19
MUTTER
3296-29
20
Halterung
55-9450
21
Support-Recoil
55-9070
22
Distanzbuechse
66-6500
23
Mutter
81-0300
24
Frame Assembly
63-3750
25
Gummiring
237-89
26
Scheibe
3256-23
27
Mutter
32152-8
29
Dichtung
55-9310
30
Schraube
56-6380
31
Gebrauchsanweisungen
Toro
Roth / TORO
Aufsitzmäher
Handgeräte
Kehrmaschinen
Schneefräsen
Zubehör
zweistufig
einstufig
Snow Commander
CCR 3650 GTS
CCR 3000
CCR 2450
CCR 2400
CCR 2000
618/38186
618/38185 C
9000001
Starter
Auspuff
Regler
Vergaser
Schwungrad & Zündspule
Teilemotor
Holm
StarterMotor & Schalter Gehäuse
Betätigung, Paneele & Abdeckung
Motor & Hauptrahmen
Rotor
Grassauswurf
Gehäuse (Fortsetzung)
Gehäuse
8000001
618/38181
618/38180 C
CR 1000
CR 20
CR 20 R
S 620
S 200
CCR Powerlite
Sauger/Bläser
Rasenmäher
Robin
Impressum
(C) by motoruf