Zurück zu
>
Roth / TORO
>
Handgeräte
>
Schneefräsen
>
einstufig
>
CCR 2000
>
618/38185 C
>
9000001
>
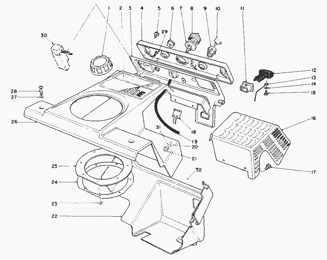
Betätigung, Paneele & Abdeckung
Ersatzteillisten für Toro Roth / TORO Betätigung, Paneele & Abdeckung
Pos.
Bezeichnung
Ersatzteilnummer
Control Panel Assembly (Incl. Ref.
12-4659
Upper Shroud Assembly (Incl. Ref.
12-5949
Pos.
Bezeichnung
Ersatzteilnummer
1
Gas Cap Assembly
55-3573
2
Decal-CCR-2000 Electric Start
61-4420
4
Name Plate Control (Model No. 38185)
61-4410
4
Name Plate Control (Model No. 38185C)
61-4470
5
SCHRAUBE
12-5450
6
Seilfuehrung
55-9410
7
Primer-Koerper
44-2750
8
Bulb-Primer
44-3100
9
Zuendschloss
40-5940
10
Key-Switch
62-7770
11
Passtueck
55-8820
12
Control-Choke (Model No. 38180)
55-8810
12
Starterklappe
55-8811
13
Linkage-Choke
61-4650
14
Washer
38-5710
15
Screw-Hex Hd.
32104-130
16
Shield-Heat
55-9210
17
Schraube
32105-8
18
Steckverbindung
218-532
19
Hose-Primer
44-3171
20
Washer-Rubber
55-9660
21
Mutter
32153-1
22
Haube-U.T.
55-8791
23
Hutmutter
3290-474
24
Retainer-Chute Seal
55-9540
25
Seal-Chute
55-9260
27
scheibe
3256-22
28
Screw-Phillips
3250-32
29
Thread Forming Screw
32144-27
30
31
Scheibe
3256-14
32
Decal-Warning (Model No. 38185C)
61-4790
Gebrauchsanweisungen
Toro
Roth / TORO
Aufsitzmäher
Handgeräte
Kehrmaschinen
Schneefräsen
Zubehör
zweistufig
einstufig
Snow Commander
CCR 3650 GTS
CCR 3000
CCR 2450
CCR 2400
CCR 2000
618/38186
618/38185 C
9000001
Starter
Auspuff
Regler
Vergaser
Schwungrad & Zündspule
Teilemotor
Holm
StarterMotor & Schalter Gehäuse
Betätigung, Paneele & Abdeckung
Motor & Hauptrahmen
Rotor
Grassauswurf
Gehäuse (Fortsetzung)
Gehäuse
8000001
618/38181
618/38180 C
CR 1000
CR 20
CR 20 R
S 620
S 200
CCR Powerlite
Sauger/Bläser
Rasenmäher
Robin
Impressum
(C) by motoruf