Zurück zu
motoruf
Warenkorb

Ersatzteillisten für Toro Roth / TORO Grassauswurf




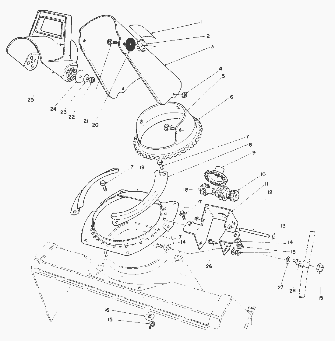
Pos.BezeichnungErsatzteilnummer
Decal-Danger Chute (Model No. 38500)63-3740
Decal-Discharge63-3760
Chute-Discharge (Incl. Ref.12-8289
Chute-Discharge (Incl. Ref.12-8749
Ersatzteilliste


Pos.BezeichnungErsatzteilnummer
2Sicherungsscheibe55-8950
4Mutter32149-1
5Carriage Bolt3230-18
6Drehkranz55-8720
7Schraube321-4
8Retainer-Chute Ring55-8910
9Tellerrad55-8740
10Ritzel55-8730
11Bracket-Chute Gears61-4610
12Welle55-9150
13SICHERUNGSKAPPE32112-11
14scheibe3256-22
15MUTTER3296-42
16Washer55-9680
17Schraube46-8092
18Spacer/Spur Gear55-8750
19Ring-Chute Support55-8920
20Scheibe20-4320
21Bolzen3230-22
22MUTTER3296-29
23Scheibe3290-340
24Scheibe3256-68
25Leitblech56-2680
26Schraube3229-11
27Scheibe3256-23
28Cable Clamp61-4630
Gebrauchsanweisungen
Toro
Impressum
(C) by motoruf