Zurück zu
>
Roth / TORO
>
Handgeräte
>
Schneefräsen
>
einstufig
>
CCR 2000
>
618/38185 C
>
9000001
>
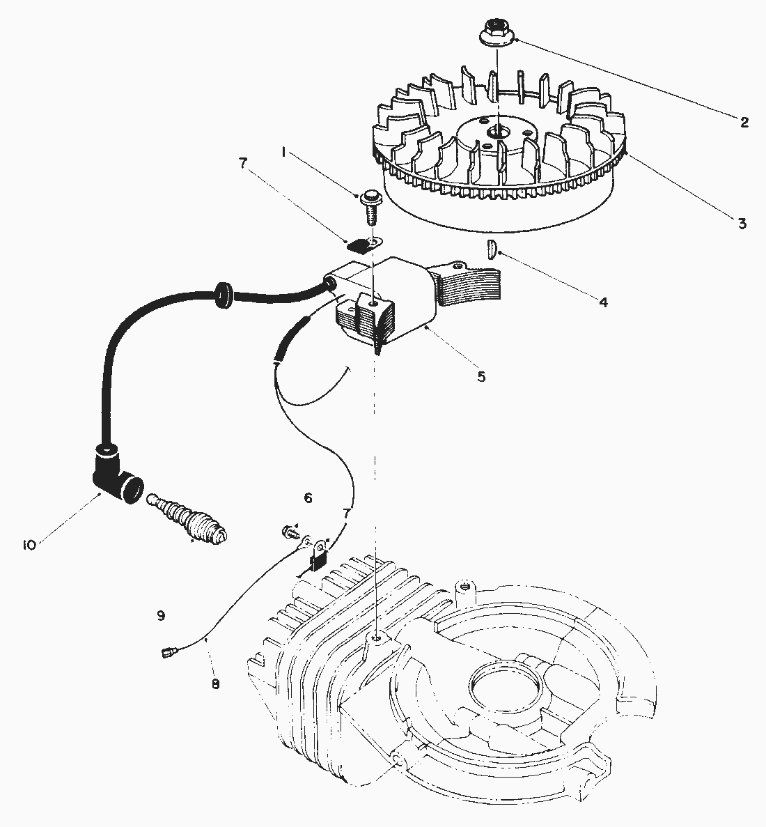
Schwungrad & Zündspule
Ersatzteillisten für Toro Roth / TORO Schwungrad & Zündspule
Pos.
Bezeichnung
Ersatzteilnummer
1
Schraube
81-5710
2
MUTTER
81-1330
3
Schwungrad
81-4620
4
KEIL
81-2370
5
Coil-Magneto
81-4630
6
SCHRAUBE
53-1340
7
KLEMME
81-1480
8
Wire-Ground
81-2860
9
ZUENDKERZE
81-0181
10
ZUENDKERZENSTECKER
81-1500
SCHWUNGRADABZIEHER TORO
41-7650
Gebrauchsanweisungen
Toro
Roth / TORO
Aufsitzmäher
Handgeräte
Kehrmaschinen
Schneefräsen
Zubehör
zweistufig
einstufig
Snow Commander
CCR 3650 GTS
CCR 3000
CCR 2450
CCR 2400
CCR 2000
618/38186
618/38185 C
9000001
Starter
Auspuff
Regler
Vergaser
Schwungrad & Zündspule
Teilemotor
Holm
StarterMotor & Schalter Gehäuse
Betätigung, Paneele & Abdeckung
Motor & Hauptrahmen
Rotor
Grassauswurf
Gehäuse (Fortsetzung)
Gehäuse
8000001
618/38181
618/38180 C
CR 1000
CR 20
CR 20 R
S 620
S 200
CCR Powerlite
Sauger/Bläser
Rasenmäher
Robin
Impressum
(C) by motoruf