Zurück zu
>
Roth / TORO
>
Aufsitzmäher
>
Traktor
>
212-H
>
303/R2-12OE02
>
2000001
>
Motor Vergaser
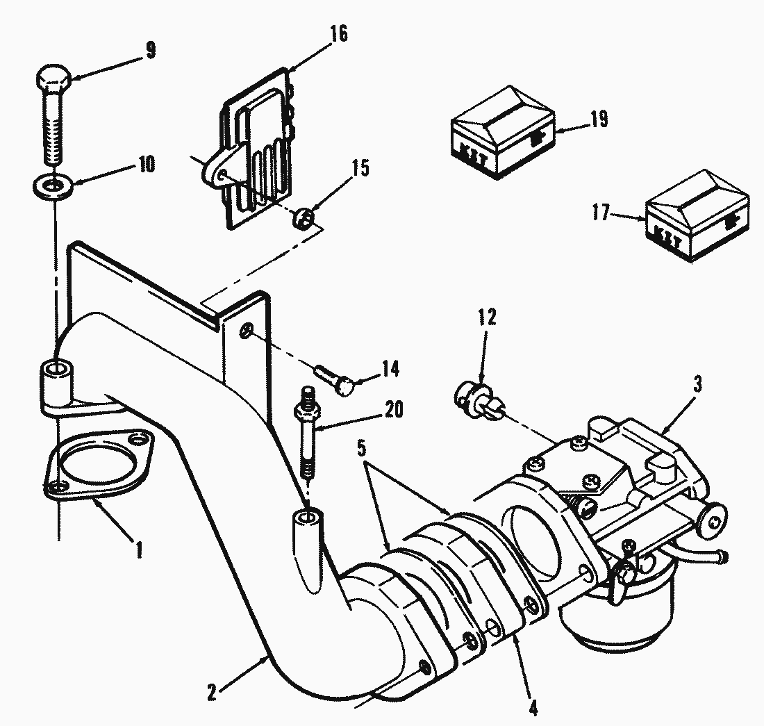
Ersatzteillisten für Toro Roth / TORO Motor Vergaser
Pos.
Bezeichnung
Ersatzteilnummer
1
Gasket
NN10666
2
Elbow-Intake
NN10667
3
Vergaser 146-0526
NN10668
4
Insulator
NN10669
5
Gasket
NN10670
9
Screw-Cap Hex. Hd.
79-5820
10
Washer-Flat
79-5830
12
Clip-Link
NN10674
14
Screw-Hex. Washer Hd.
NN10371
15
Buechse
57-9120
16
Regler
57-9430
17
Rep.-Schw.-Satz
NN10906
19
Vergaser-Reparatur-Satz
NN10907
20
Stehbolzen 520-2033
NN10701
Gebrauchsanweisungen
Toro
Roth / TORO
Aufsitzmäher
Traktor
264-6
246 HE
244-5
212-H
303/R2-12OE02
2000001
Schilder & Verschiedenes
Motor Vergaser
Motor Starter
Motor Schwungrad & Abdeckung
Motor Regler Gestänge & Abdeckung
Motor Luftfilter
Motor Zündung
Motor Zylinderkopf & Ventile
Motor Ölwanne & Pumpe
Motor Kurbelwelle & Nockenwelle
Motor Zylinderblock
Motor & Auspuff
Motor-Riemenscheibe & Zapfwellenkupplung
Bremse & Spannrolle (212-H)
Getriebegestänge (212-H)
Bürsten Zapfwelle (212-H)
Getriebe (210-H & 212-H)
Bremse & Spannrolle (212-5)
Bürsten Zapfwelle (212-5)
Peerless Getriebe Modell-Nr. 930-020* (212-5)
Getriebe (212-5)
Rad & Reifen
Vorderachse & Lenkung
Elektrik
Rahmen
Sitz
Rahmen
303/R2-12OE01
212-5
17-44 HXLE
16-44 HXL
16-38 HXL
16-38 XLE
15-44 HXL
15-38 HXL
14-38 HXL
14-38 XL
13-38 HXL
13-38 XL
13-32 XLE
12-38 HXL
12-38 XL
12-32 XL
264 H
265 H
267 H
268 H
270 H
520 xi
520 Lxi
523 Dxi
Rider
Mähwerke
Zubehör
Handgeräte
Robin
Impressum
(C) by motoruf