Zurück zu
>
Roth / TORO
>
Aufsitzmäher
>
Traktor
>
212-H
>
303/R2-12OE02
>
2000001
>
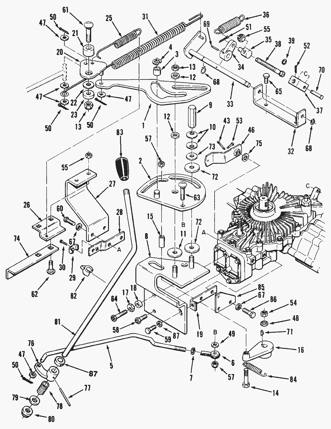
Getriebegestänge (212-H)
Ersatzteillisten für Toro Roth / TORO Getriebegestänge (212-H)
Pos.
Bezeichnung
Ersatzteilnummer
1
Platte
114416
2
Platte
114401
3
Bearing-Cam Return
100656
4
Ring
32120-47
5
Gestaenge
116339
6
Gelenkkopf
110189
7
Mutter
3220-1
8
Platte
114403
9
Nut-Special
114695
10
Washer-Spring Disc
100365
11
Washer-Friction
100305
12
Spacer-Cam
100309
13
Mutter
109779
14
Bolt
911459
15
Buchse
114402
16
Arm-Motion Control
116340
17
Klemmstueck
106661
18
Gear-Spacer
109447
19
Support-Angle
114656
20
Plate-Neutral Pivot
114404
21
Spacer
114697
22
Washer-Special
920271
23
Buechse
104859
25
Bremsfeder
114818
26
Platte
114668
27
Halterung
114410
28
Platte
115678
29
Clamp
111688
30
Schraube
926641
31
Bremsfeder
114698
32
Bracket
114666
33
Pivot-Brake
114670
34
Plate
114663
35
Achse
104524
36
Bremsfeder
107677
37
Clevis
114665
38
Bolt-Adjusting
116287
39
Sicherungsring
32151-73
43
Pin-Cotter
932000
46
Plate-Arm
116398
47
Scheibe
3256-23
48
Scheibe
3256-24
49
scheibe
3256-22
50
Splint
3272-6
51
Stift
3272-7
52
Splint
3272-2
53
Splint
932948
54
Hex Locknut
32146-2
55
MUTTER
3296-29
57
MUTTER
3296-42
58
Bolt
926696
59
Schraube
322-2
60
Schraube
322-3
61
Schraube
3231-4
62
Schraube
3230-2
63
Bolt-Carriage
3229-2
64
Screw
926698
65
Bolt
908016
67
Federring
3253-4
68
Sicherungsring
32151-57
69
Pin-Spirol
32120-50
70
Splint
932948
71
Key-Woodruff
937082
72
Scheibe
114821
73
Washer
3256-4
74
Haltewinkel
115677
75
Washer-Special
920259
76
Schaltarm
111430
77
Spannstift
933273
78
Feder
111432
79
Scheibe (5)
3765
80
Buechse (10)
5666
81
Shaft
78-3230
82
Zeiger
113025
83
Knopf
112983
84
Zugfeder
117326
85
Bracket-Spring
117325
86
Schraube
322-5
87
Gleitbuchse
78-2030
Gebrauchsanweisungen
Toro
Roth / TORO
Aufsitzmäher
Traktor
264-6
246 HE
244-5
212-H
303/R2-12OE02
2000001
Schilder & Verschiedenes
Motor Vergaser
Motor Starter
Motor Schwungrad & Abdeckung
Motor Regler Gestänge & Abdeckung
Motor Luftfilter
Motor Zündung
Motor Zylinderkopf & Ventile
Motor Ölwanne & Pumpe
Motor Kurbelwelle & Nockenwelle
Motor Zylinderblock
Motor & Auspuff
Motor-Riemenscheibe & Zapfwellenkupplung
Bremse & Spannrolle (212-H)
Getriebegestänge (212-H)
Bürsten Zapfwelle (212-H)
Getriebe (210-H & 212-H)
Bremse & Spannrolle (212-5)
Bürsten Zapfwelle (212-5)
Peerless Getriebe Modell-Nr. 930-020* (212-5)
Getriebe (212-5)
Rad & Reifen
Vorderachse & Lenkung
Elektrik
Rahmen
Sitz
Rahmen
303/R2-12OE01
212-5
17-44 HXLE
16-44 HXL
16-38 HXL
16-38 XLE
15-44 HXL
15-38 HXL
14-38 HXL
14-38 XL
13-38 HXL
13-38 XL
13-32 XLE
12-38 HXL
12-38 XL
12-32 XL
264 H
265 H
267 H
268 H
270 H
520 xi
520 Lxi
523 Dxi
Rider
Mähwerke
Zubehör
Handgeräte
Robin
Impressum
(C) by motoruf