Kawasaki Motoren FD750D-CS03 - Kawasaki FD750D 4-Stroke Engine CARBURETOR Ersatzteile
CARBURETOR FD750D-CS03 - Kawasaki FD750D 4-Stroke Engine

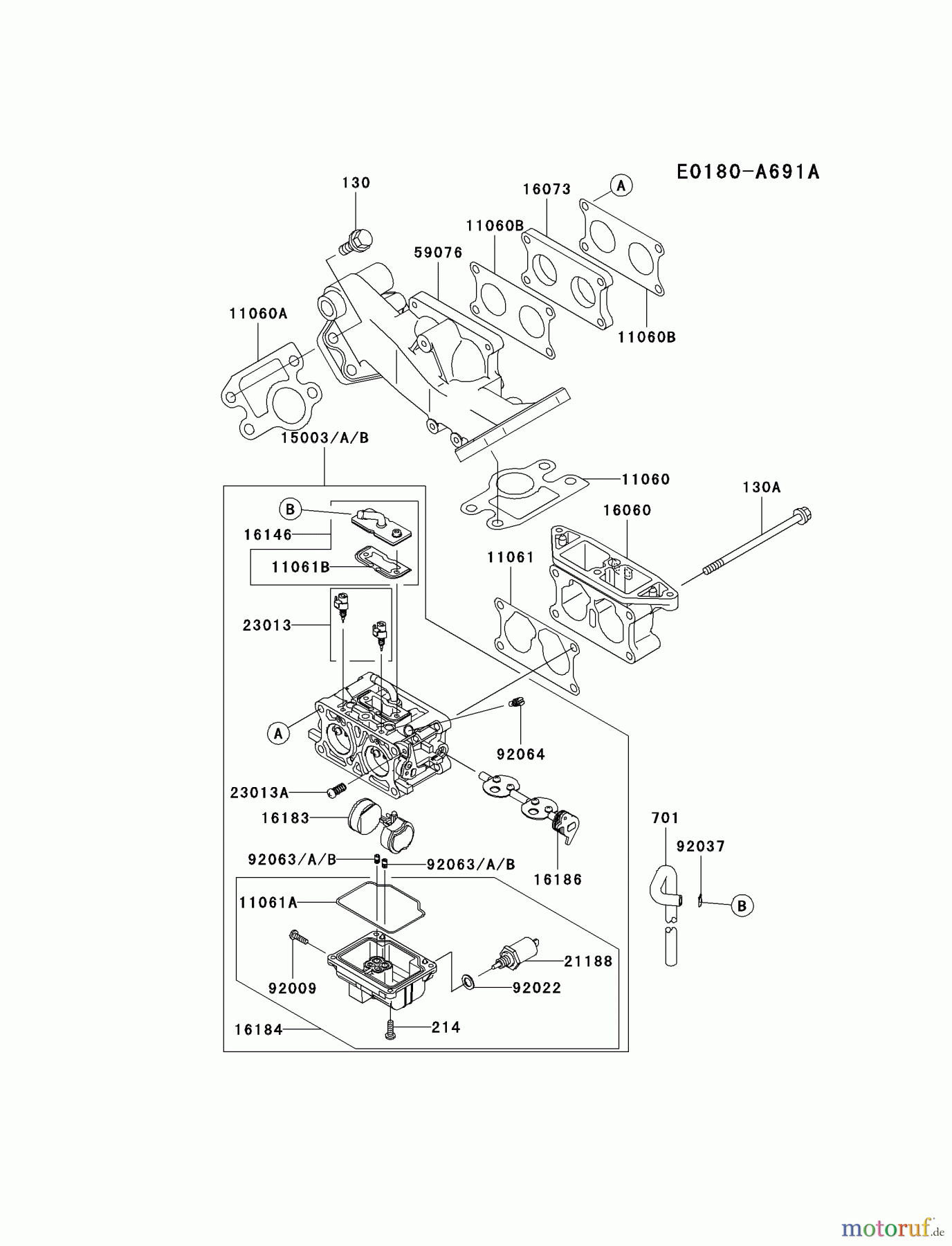
Hier finden Sie die Ersatzteilzeichnung für Kawasaki Motoren Motoren, Horizontal FD750D-CS03 - Kawasaki FD750D 4-Stroke Engine CARBURETOR. Wählen Sie das benötigte Ersatzteil aus der Ersatzteilliste Ihres Kawasaki Motoren Gerätes aus und bestellen Sie einfach online. Viele Kawasaki Motoren Ersatzteile halten wir ständig in unserem Lager für Sie bereit.
| BildNr | Artikel Nummer | Bezeichnung | |
| 11060 | KA110602468 | GASKET,INTAKE MANIFOL | |
| 11060A | KA110602469 | GASKET,INTAKE MANIFOL | |
| 11060B | KA110602471 | GASKET,INTATE PIPE | |
| 11061 | KA110612075 | GASKET | |
| 11061A | KA110612090 | GASKET,CHAMBER | |
| 11061B | KA110612091 | GASKET,COVER | |
| 15003 | KA150032977 | CARBURETOR-ASSY | |
| 15003A | KA150032977 | CARBURETOR-ASSY | |
| 16060 | KA160602194 | PIPE-INTAKE | |
| 16073 | KA160732206 | INSULATOR | |
| 16146 | KA161462227 | COVER-ASSY | |
| 16183 | KA161832006 | FLOAT-ASSY | |
| 16184 | KA161842007 | CHAMBER-ASSY-FLOAT | |
| 16186 | KA161862036 | VALVE-ASSY-CHOKE | |
| 21188 | ![]() | KA211882011 | SOLENOID |
| 23013 | KA230132060 | SCREW-ASSY | |
| 23013A | KA230132064 | SCREW-ASSY | |
| 59076 | KA590762065 | MANIFOLD-INTAKE | |
| 92009 | KA920092015 | SCREW | |
| 92022 | KA920222231 | SCHEIBE | |
| 92037 | KA920371610 | CLAMP | |
| 92063 | KA920632400 | JET-MAIN | |
| 92063A | KA920632401 | JET-MAIN,#98.8 | |
| 92063B | KA920632412 | JET-MAIN,#93.8 | |
| 92064 | KA920642113 | JET-PILOT,#40 | |
| 130 | KA130BA0825 | BOLT-FLANGED | |
| 130A | KA130CA06110 | BOLT-FLANGED | |
| 214 | KA214AA0414 | SCREW-PAN+- | |
| 701 | KA701Q061000 | TUBE-PVC | |




