Viking Aufsitzmäher MT 585 Ersatzteile
MT 585 Aufsitzmäher
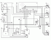
Hier finden Sie die Ersatzteilzeichnung für Viking Aufsitzmäher Aufsitzmäher MT 585. Wählen Sie das benötigte Ersatzteil aus der Ersatzteilliste Ihres Viking Gerätes aus und bestellen Sie einfach online. Viele Viking Ersatzteile halten wir ständig in unserem Lager für Sie bereit.
Häufig benötigte Viking Aufsitzmäher MT 585 Ersatzteile

Artikelnummer: 6126 430 1400
Suche nach: 6126 430 1400
Hersteller: Stihl
Viking Ersatzteil L - Elektrische Bauteile
Suche nach: 6126 430 1400
Hersteller: Stihl
Viking Ersatzteil L - Elektrische Bauteile
147.58 €
für EU incl. MwSt., zzgl. Versand


Artikelnummer: 9007 319 9009
Suche nach: 9007 319 9009
Hersteller: Stihl
Viking Ersatzteil I - Mähwerk - 2
Suche nach: 9007 319 9009
Hersteller: Stihl
Viking Ersatzteil I - Mähwerk - 2
6.79 €
für EU incl. MwSt., zzgl. Versand

Artikelnummer: 9395 901 0050
Suche nach: 9395 901 0050
Hersteller: Stihl
Viking Ersatzteil H - Mähwerk - 1
Suche nach: 9395 901 0050
Hersteller: Stihl
Viking Ersatzteil H - Mähwerk - 1
3.23 €
für EU incl. MwSt., zzgl. Versand

Artikelnummer: 9007 319 9010
Suche nach: 9007 319 9010
Hersteller: Stihl
Viking Ersatzteil I - Mähwerk - 2
Suche nach: 9007 319 9010
Hersteller: Stihl
Viking Ersatzteil I - Mähwerk - 2
10.35 €
für EU incl. MwSt., zzgl. Versand


Qualitätsmanagement
Informieren Sie uns, wenn Sie einen Fehler gefunden haben.




















