Einkaufswagen
Mein Konto

Häcksler 898150 (2011) Fahrantrieb Ersatzteile

Fahrantrieb 898150 (2011)

 Häcksler Chip-N-Shred 898150  (2011) Fahrantrieb

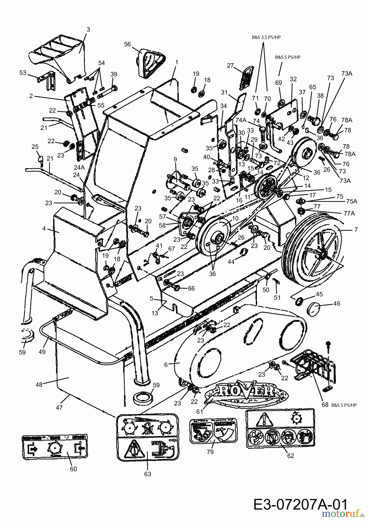
Hier finden Sie die Ersatzteilzeichnung für Häcksler Chip-N-Shred 898150 (2011) Fahrantrieb. Wählen Sie das benötigte Ersatzteil aus der Ersatzteilliste Ihres Häcksler Gerätes aus und bestellen Sie einfach online. Viele Häcksler Ersatzteile halten wir ständig in unserem Lager für Sie bereit.

BildNrArtikel NummerBezeichnung
1 A10549
2 R+A10508TRICHTER VOLLST.
3 R+A09162ABDECKUNG
4 R+A10482ABDECKUNG
5 R+A09147SEITENBLECH LINKS
6 R+A09124KEILRIEMENSCHUTZ
7 A08207
8 R+A09121KEILRIEMENSCHEIBE
9 A10488
10 R+A09122KEILRIEMENSCHEIBE
11 R+A08585SPANNROLLE
12 R+A09123KEILRIEMEN MOD 09858/59/62
13 R+A09156SEITENBLECH RECHTS
14 R+A02474BUCHSE
15 R+A02033UNTERLEGSCHEIBE
16 R+A07805KEILRIEMENFÜHRUNG
17 R+A02008MUTTER
18 R+A02031UNTERLAGSCHEIBE
19 R+A02004SECHSKANTMUTTER
20 R+A02083SKT-SCHRAUBEN 5/16X3/4 UNC
21 R+A09120BOLZEN
22 R+A02223MUTTER 5/16" UNC
23 R+A02030U-SCHEIBE
24 R+A09115SCHUTZ
24A R+A10493STABROST VOLLST.
25 R+A09141FEDERBÜGEL
26 R+A12464KEIL
27 R+A03250GRIFF FÜR HÖHENVERSTELLUNG
28 R+A04015.
29 R+A1213809K
30 R+A01025UNTERLAGSCHEIBE AUS STAHL
31 R+A09140KUPPLUNGSHEBEL
32 R+A10495KEILRIEMENSCHUTZ
33 R+A02127SCHRAUBE SELBSTSICHERND 3/8"
34 R+A09145PLATTE
35 R+A09142DISTANZSTÜCK
36 R+A02080KEILSTIFT
37 R+A02063R+A02063
38 R+A02129STELLSCHRAUBE
39 R+A04020SCHRAUBE
40 R+A02229STELLSCHRAUBE
41 R+A03349SCHELLE
42 R+A02209UNTERLEGSCHEIBE
43 R+A04063
44 R+A02289SPRENGRING
45 R+A02103SPERRSCHEIBE
46 A08208
47 R+A10491MULCHBEHÄLTER
48 R+A09158MULCHSACK
49 R+A09159RAHMEN
50 R+A09160ROHR
51 R+A01080FEDERBÜGEL
52 R+A02012SCHEIBE 5/16" X 7/8"
53 R+A09183DURCHLASSBEGRENZER
54 R+A290112NIET 73AS 6-4
55 R+A09168FEDER
56 R+A09169WELLENABDECKUNG
57 R+A09136LAGER
58 R+A09137LAGERSCHALE
59 R+A09172STANDFUß
60 R+A09164AUFKLEBER ROTOR
61 R+A12507LABEL ROVER
62 A09179
63 A09182
64 R+A02001MUTTER 1/4 UNC HEX STD
65 R+A04075MADENSCHRAUBE
66 R+A02209UNTERLEGSCHEIBE
67 R+A04001NIETE
68 A10611
69 R+A02063R+A02063
70 R+A02209UNTERLEGSCHEIBE
71 R+A02001MUTTER 1/4 UNC HEX STD
72 R+A02127SCHRAUBE SELBSTSICHERND 3/8"
73 R+A02030U-SCHEIBE
73A R+A02012SCHEIBE 5/16" X 7/8"
74 R+A1213809BOLZEN 5/16 X 1-1/2
74A R+A04187
75 R+A02012SCHEIBE 5/16" X 7/8"
75A R+A02012SCHEIBE 5/16" X 7/8"
76 R+A02031UNTERLAGSCHEIBE
77 R+A02256MUTTER
77A R+A04188MUTTER M8
78 R+A3182102STELLSCHRAUBE
78A R+A04189
79 R+A16375.
Rasen
Bankeinzug, MasterCard, Visa, American Express, PayPal, Nachnahme, Vorauskasse, Sofortüberweisung
Qualitätsmanagement
Informieren Sie uns, wenn Sie einen Fehler gefunden haben.