Häcksler 89862 (2007) Fahrantrieb Ersatzteile
Fahrantrieb 89862 (2007)

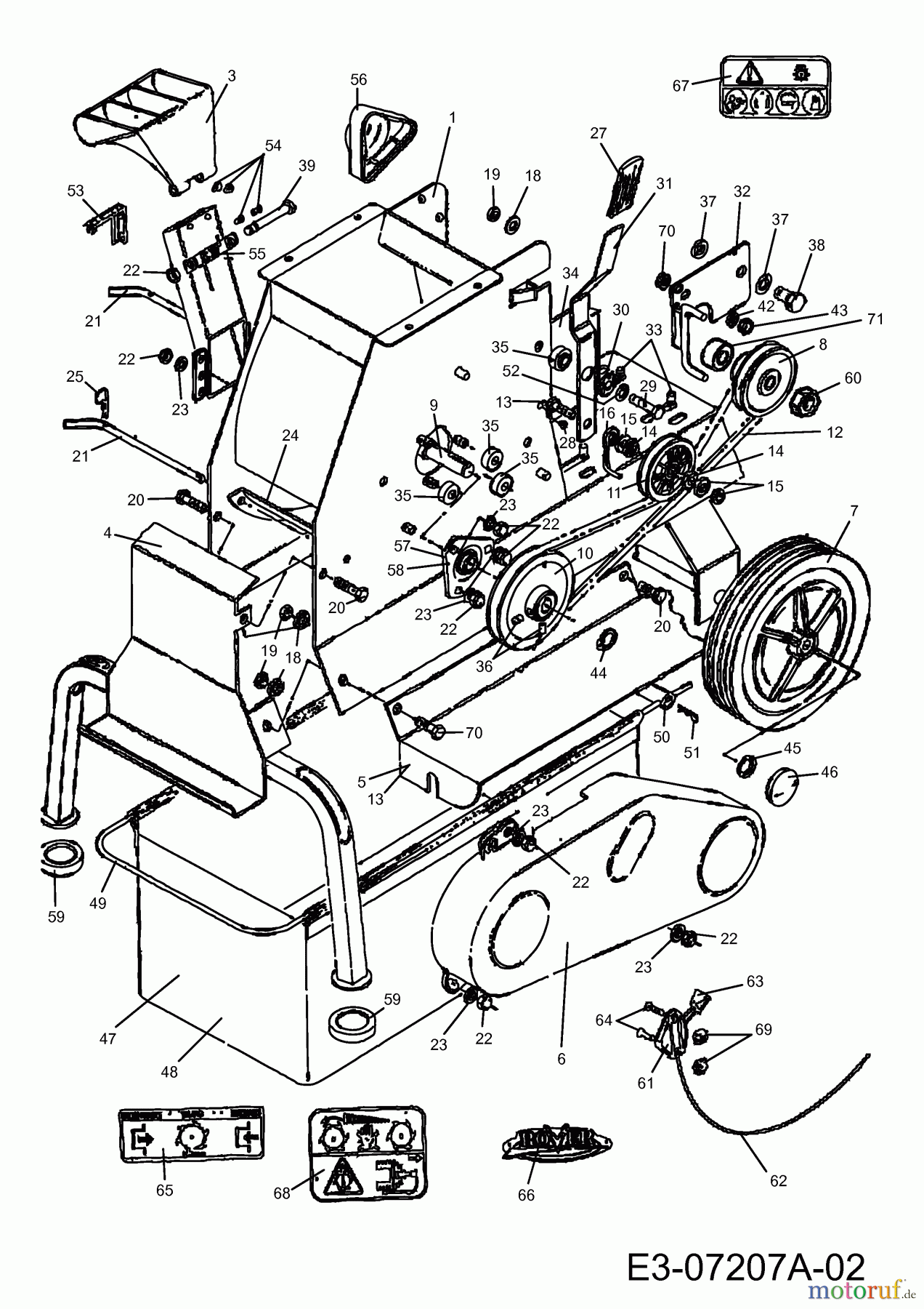
Hier finden Sie die Ersatzteilzeichnung für Häcksler Chip-N-Shred 89862 (2007) Fahrantrieb. Wählen Sie das benötigte Ersatzteil aus der Ersatzteilliste Ihres Häcksler Gerätes aus und bestellen Sie einfach online. Viele Häcksler Ersatzteile halten wir ständig in unserem Lager für Sie bereit.



