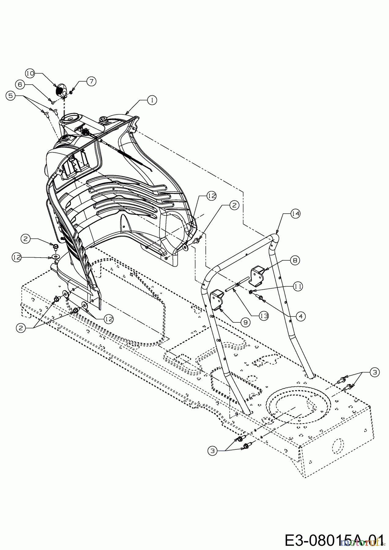
White RD 1750 Hydro 13B4516N190 (2003) Armaturenbrett Ersatzteile
Armaturenbrett 13B4516N190 (2003)

Hier finden Sie die Ersatzteilzeichnung für White Rasentraktoren RD 1750 Hydro 13B4516N190 (2003) Armaturenbrett. Wählen Sie das benötigte Ersatzteil aus der Ersatzteilliste Ihres White Gerätes aus und bestellen Sie einfach online. Viele White Ersatzteile halten wir ständig in unserem Lager für Sie bereit.







