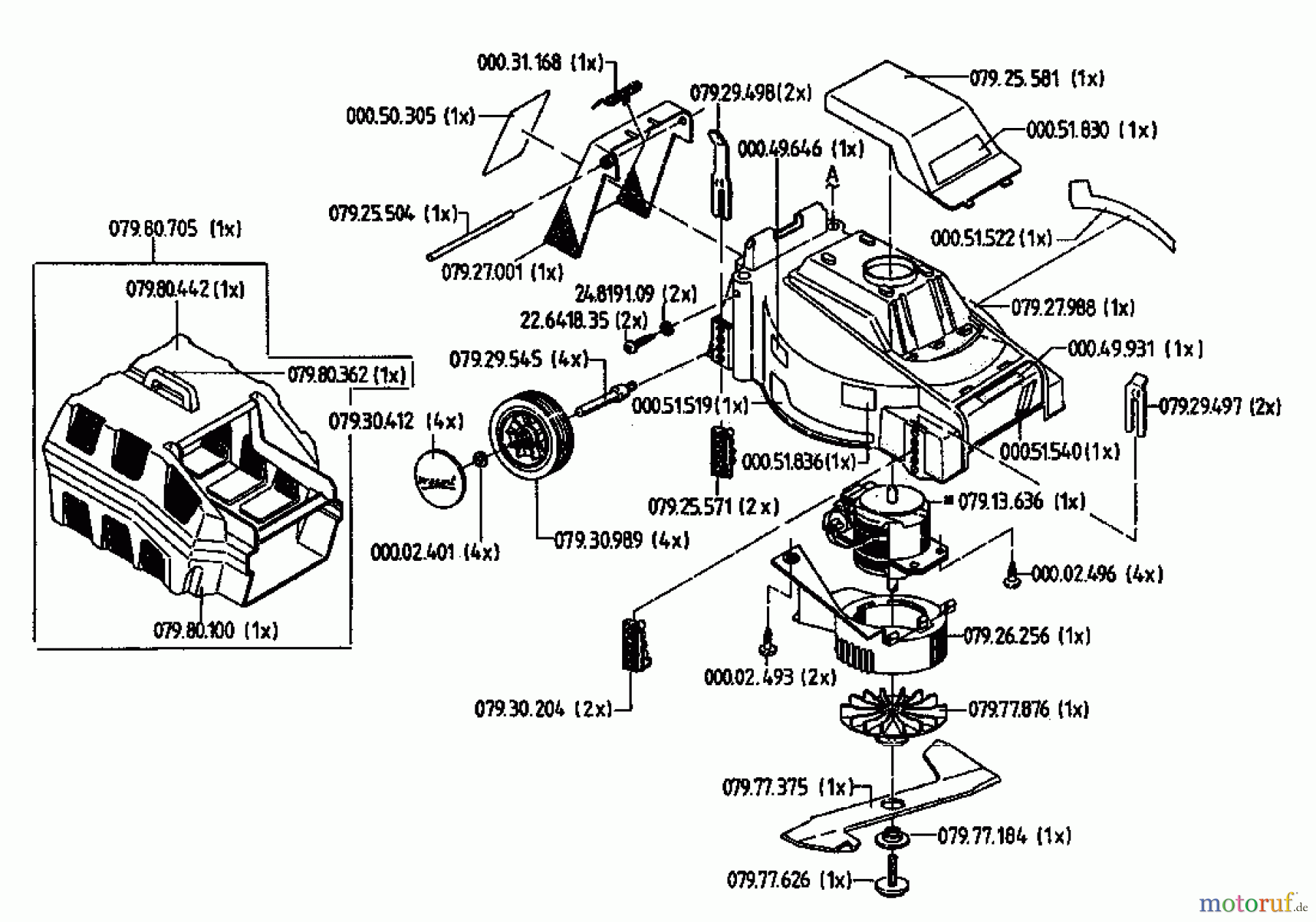
Rasant 40 EM 02822.05 (1995) Grasfangkorb, Messer, Räder, Schnitthöheneinstellung Ersatzteile
Grasfangkorb, Messer, Räder, Schnitthöheneinstellung 02822.05 (1995)

Hier finden Sie die Ersatzteilzeichnung für Rasant Elektromäher 40 EM 02822.05 (1995) Grasfangkorb, Messer, Räder, Schnitthöheneinstellung. Wählen Sie das benötigte Ersatzteil aus der Ersatzteilliste Ihres Rasant Gerätes aus und bestellen Sie einfach online. Viele Rasant Ersatzteile halten wir ständig in unserem Lager für Sie bereit.
| BildNr | Artikel Nummer | Bezeichnung | |
| 1 | 999.99.998 | MTD/GUTBRODTEIL | |



