Cub Cadet CC 1015 13AV11CF603 (2008) Armaturenbrett Ersatzteile
Armaturenbrett 13AV11CF603 (2008)

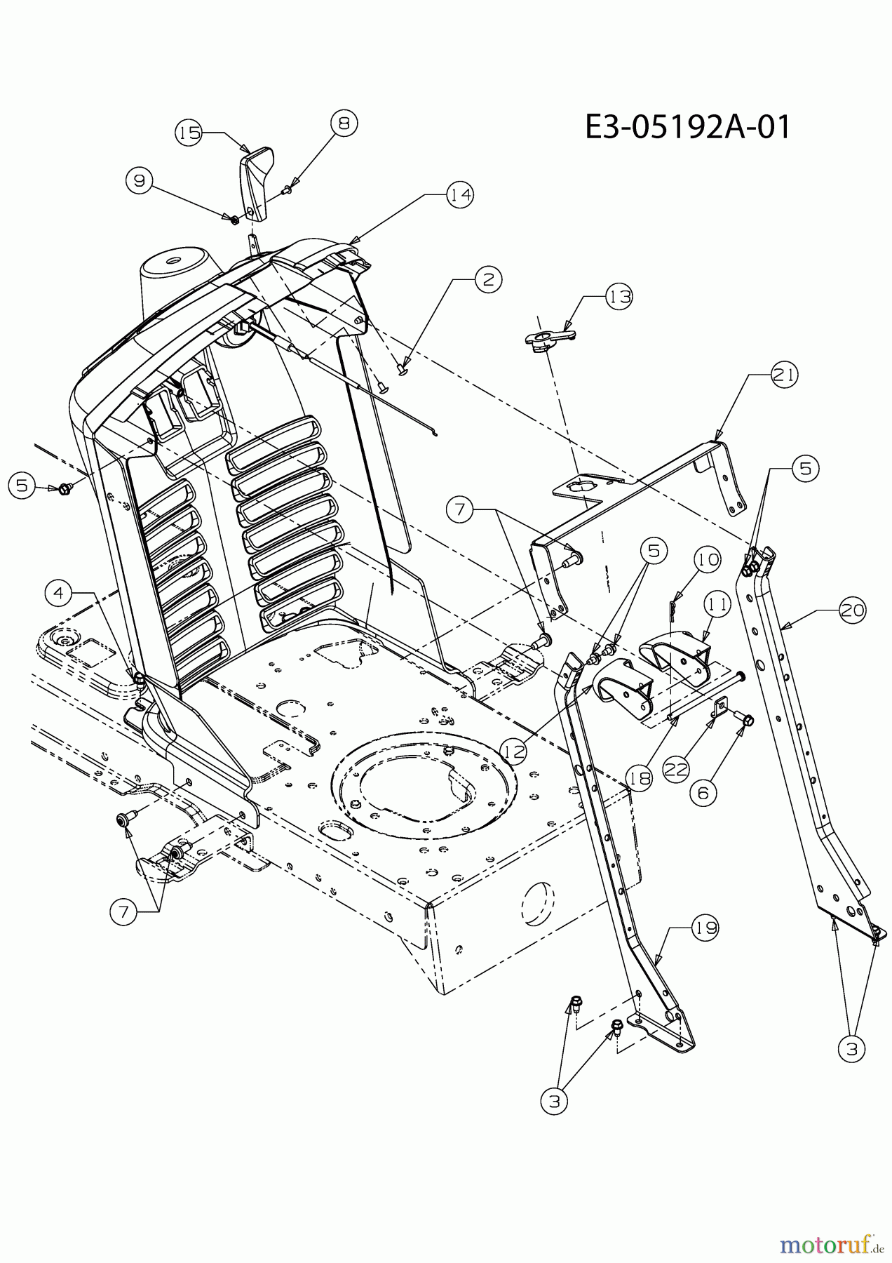
Hier finden Sie die Ersatzteilzeichnung für Cub Cadet Rasentraktoren CC 1015 13AV11CF603 (2008) Armaturenbrett. Wählen Sie das benötigte Ersatzteil aus der Ersatzteilliste Ihres Cub Cadet Gerätes aus und bestellen Sie einfach online. Viele Cub Cadet Ersatzteile halten wir ständig in unserem Lager für Sie bereit.








