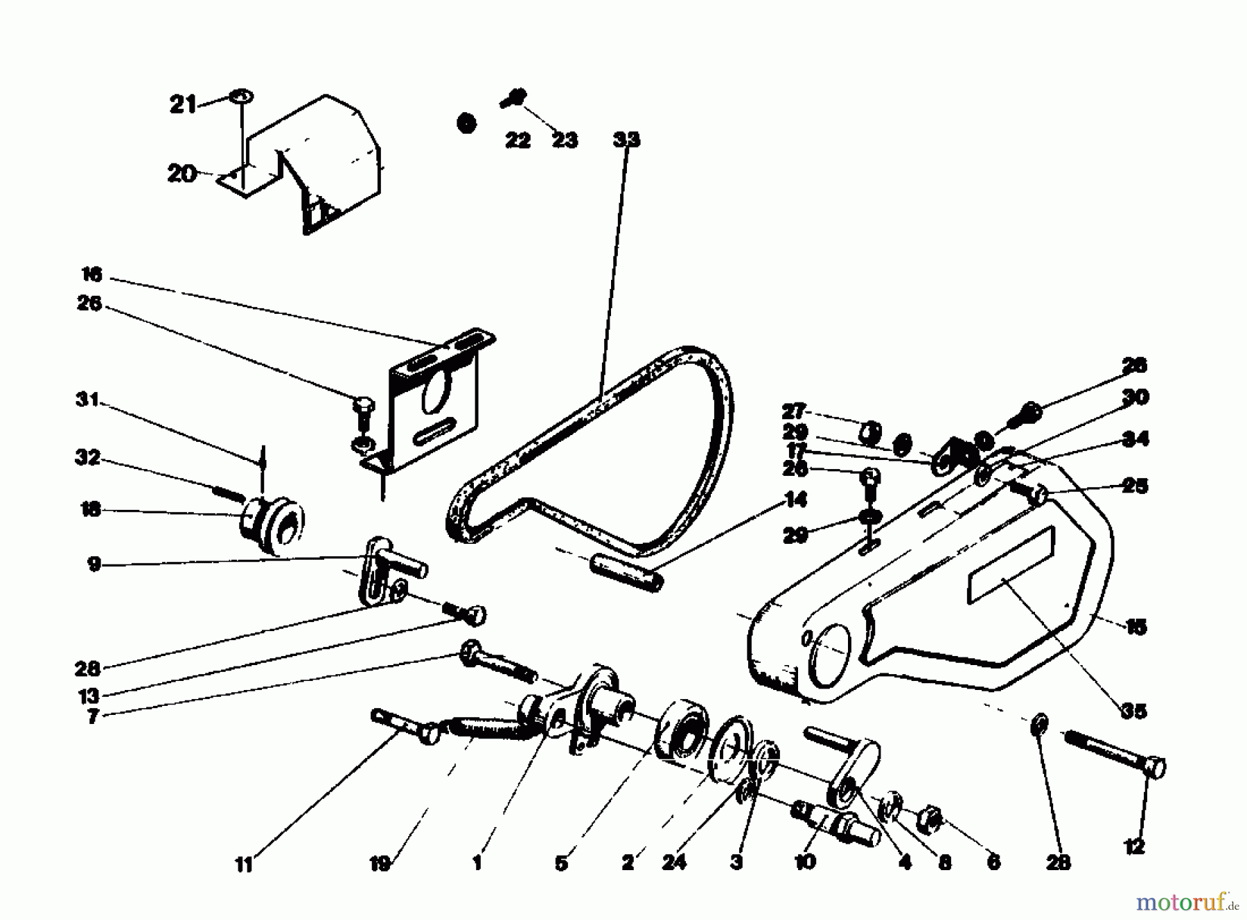
Golf 160 MS 4 07511.08 (1987) Fahrantrieb Ersatzteile
Fahrantrieb 07511.08 (1987)

Hier finden Sie die Ersatzteilzeichnung für Golf Motorhacken 160 MS 4 07511.08 (1987) Fahrantrieb. Wählen Sie das benötigte Ersatzteil aus der Ersatzteilliste Ihres Golf Gerätes aus und bestellen Sie einfach online. Viele Golf Ersatzteile halten wir ständig in unserem Lager für Sie bereit.



