Golf 345 HE 02841.01 (1987) Ersatzteile
02841.01 (1987) 345 HE

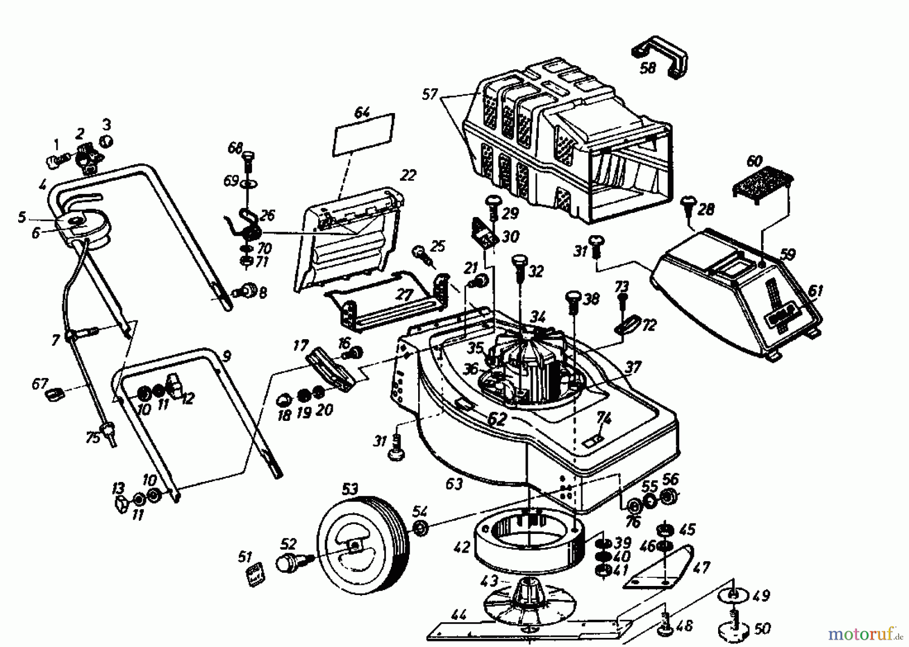
Hier finden Sie die Ersatzteilzeichnung für Golf Elektromäher 345 HE 02841.01 (1987) Grundgerät. Wählen Sie das benötigte Ersatzteil aus der Ersatzteilliste Ihres Golf Gerätes aus und bestellen Sie einfach online. Viele Golf Ersatzteile halten wir ständig in unserem Lager für Sie bereit.


Qualitätsmanagement
Informieren Sie uns, wenn Sie einen Fehler gefunden haben.


