Yard-Man HG 6160 13AD604G643 (1999) Mähwerk G (42"/107cm) Ersatzteile
Mähwerk G (42"/107cm) 13AD604G643 (1999)

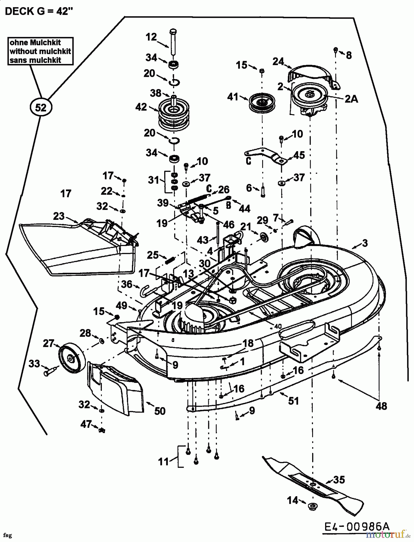
Hier finden Sie die Ersatzteilzeichnung für Yard-Man Rasentraktoren HG 6160 13AD604G643 (1999) Mähwerk G (42"/107cm). Wählen Sie das benötigte Ersatzteil aus der Ersatzteilliste Ihres Yard-Man Gerätes aus und bestellen Sie einfach online. Viele Yard-Man Ersatzteile halten wir ständig in unserem Lager für Sie bereit.


Qualitätsmanagement
Informieren Sie uns, wenn Sie einen Fehler gefunden haben.






























