MTD 46 SPS 12CS668X600 (2003) Ersatzteile
12CS668X600 (2003) 46 SPS

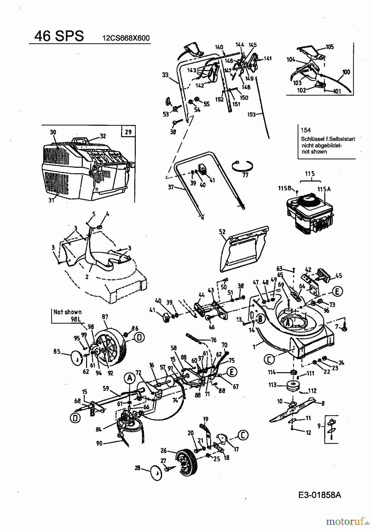
Hier finden Sie die Ersatzteilzeichnung für MTD Motormäher mit Antrieb 46 SPS 12CS668X600 (2003) Grundgerät. Wählen Sie das benötigte Ersatzteil aus der Ersatzteilliste Ihres MTD Gerätes aus und bestellen Sie einfach online. Viele MTD Ersatzteile halten wir ständig in unserem Lager für Sie bereit.
Häufig benötigte MTD 46 SPS 12CS668X600 (2003) Ersatzteile

Artikelnummer: 811-00248
Suche nach: 811-00248
Hersteller: MTD
MTD Ersatzteil 12CS668X600 (2003)
Suche nach: 811-00248
Hersteller: MTD
MTD Ersatzteil 12CS668X600 (2003)
27.56 €
für EU incl. MwSt., zzgl. Versand


Qualitätsmanagement
Informieren Sie uns, wenn Sie einen Fehler gefunden haben.






























