MTD T 035 21A-035-678 (2000) Ersatzteile
21A-035-678 (2000) T 035

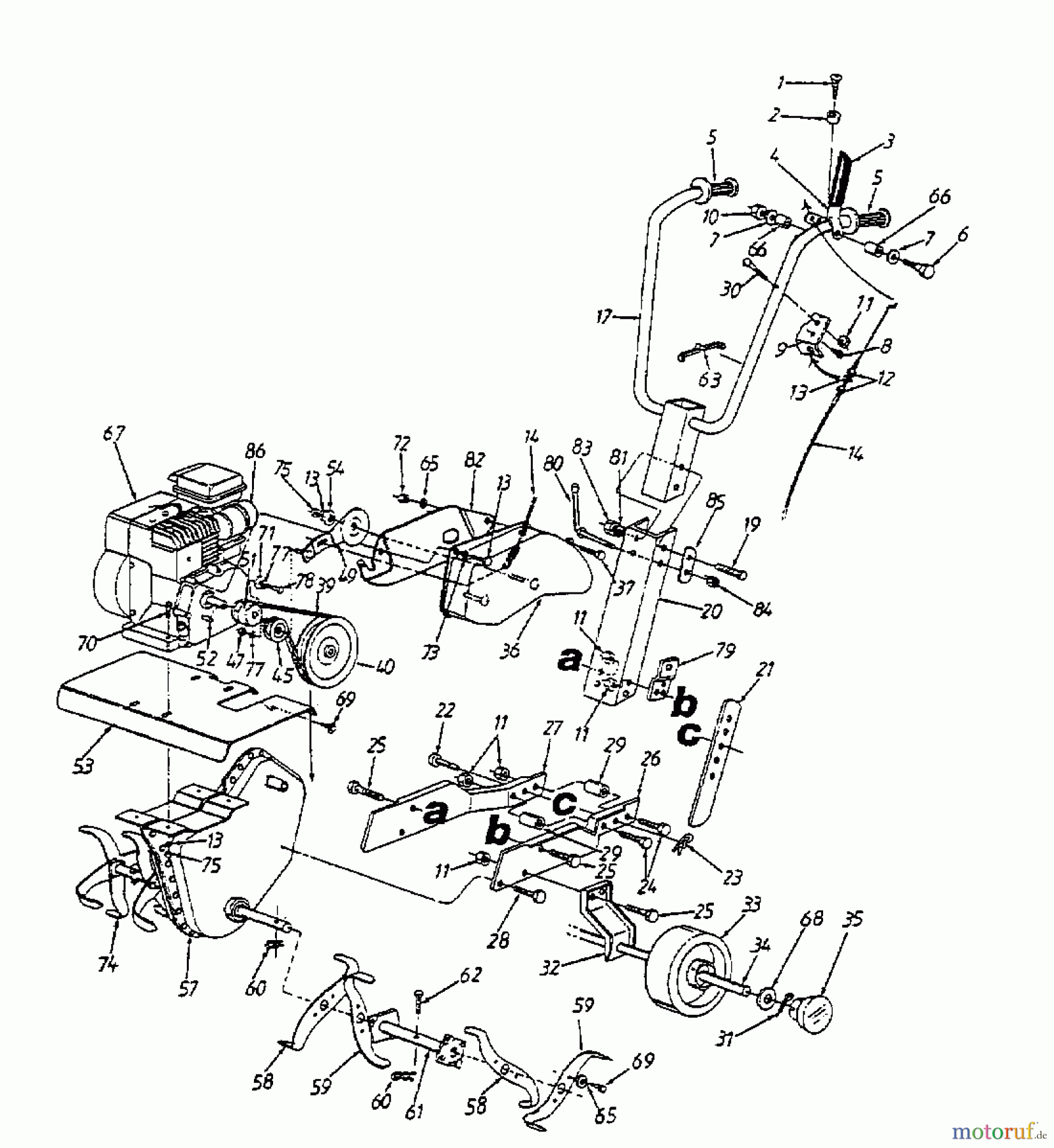
Hier finden Sie die Ersatzteilzeichnung für MTD Motorhacken T 035 21A-035-678 (2000) Grundgerät. Wählen Sie das benötigte Ersatzteil aus der Ersatzteilliste Ihres MTD Gerätes aus und bestellen Sie einfach online. Viele MTD Ersatzteile halten wir ständig in unserem Lager für Sie bereit.




















