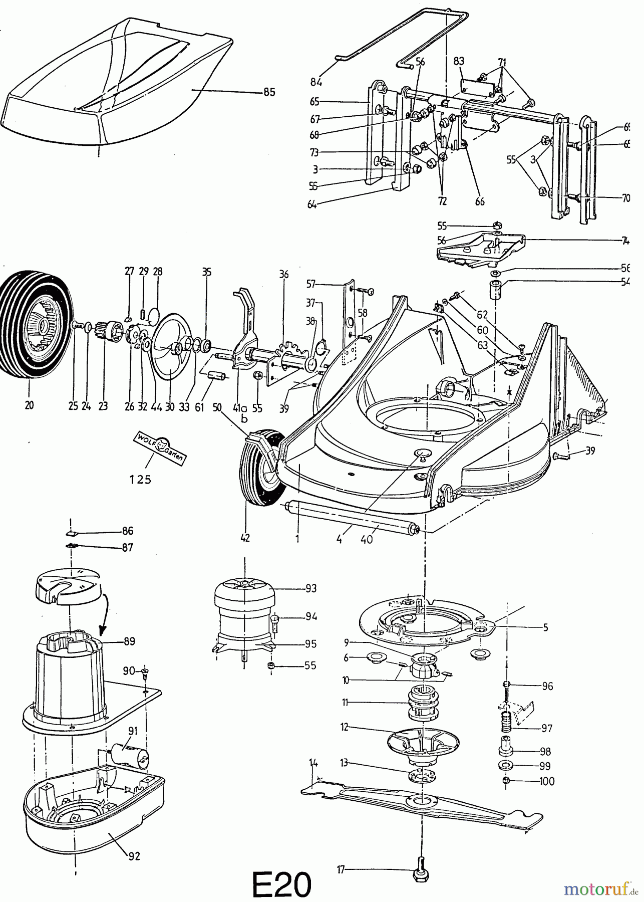
Wolf-Garten 4.46 EA 6902000 Serie A (1996) Mähwerksgehäuse, Messer, Messeraufnahme Ersatzteile
Mähwerksgehäuse, Messer, Messeraufnahme 6902000 Serie A (1996)

Hier finden Sie die Ersatzteilzeichnung für Wolf-Garten Elektromäher mit Antrieb 4.46 EA 6902000 Serie A (1996) Mähwerksgehäuse, Messer, Messeraufnahme. Wählen Sie das benötigte Ersatzteil aus der Ersatzteilliste Ihres Wolf-Garten Gerätes aus und bestellen Sie einfach online. Viele Wolf-Garten Ersatzteile halten wir ständig in unserem Lager für Sie bereit.




