Wolf-Garten 4.46 B 6905580 Serie A (1996) Holm, Räder Ersatzteile
Holm, Räder 6905580 Serie A (1996)

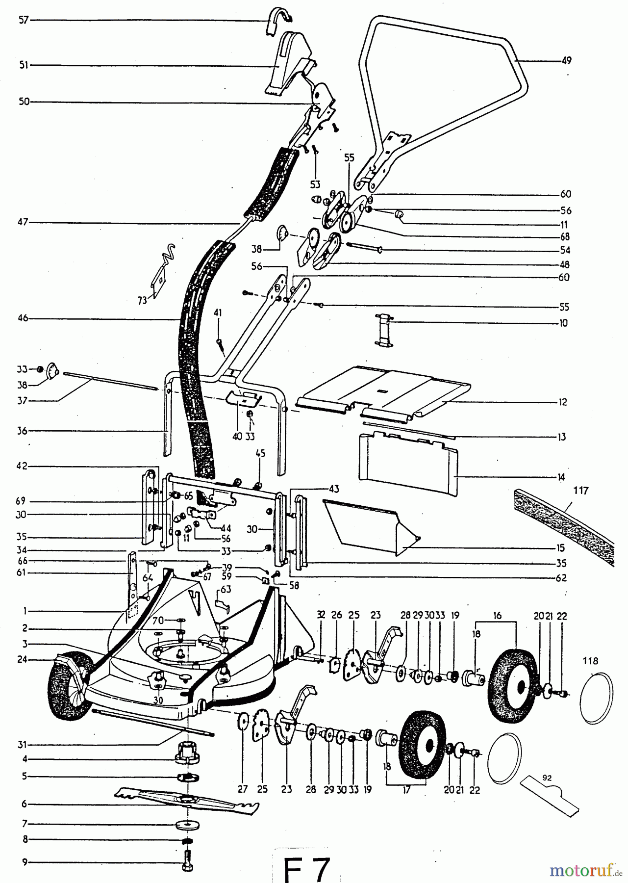
Hier finden Sie die Ersatzteilzeichnung für Wolf-Garten Motormäher 4.46 B 6905580 Serie A (1996) Holm, Räder. Wählen Sie das benötigte Ersatzteil aus der Ersatzteilliste Ihres Wolf-Garten Gerätes aus und bestellen Sie einfach online. Viele Wolf-Garten Ersatzteile halten wir ständig in unserem Lager für Sie bereit.






