BLACK+DECKER ABSCHLEIFGERÄT BANDSCHLEIFER XTA80E Ersatzteile
XTA80E BANDSCHLEIFER

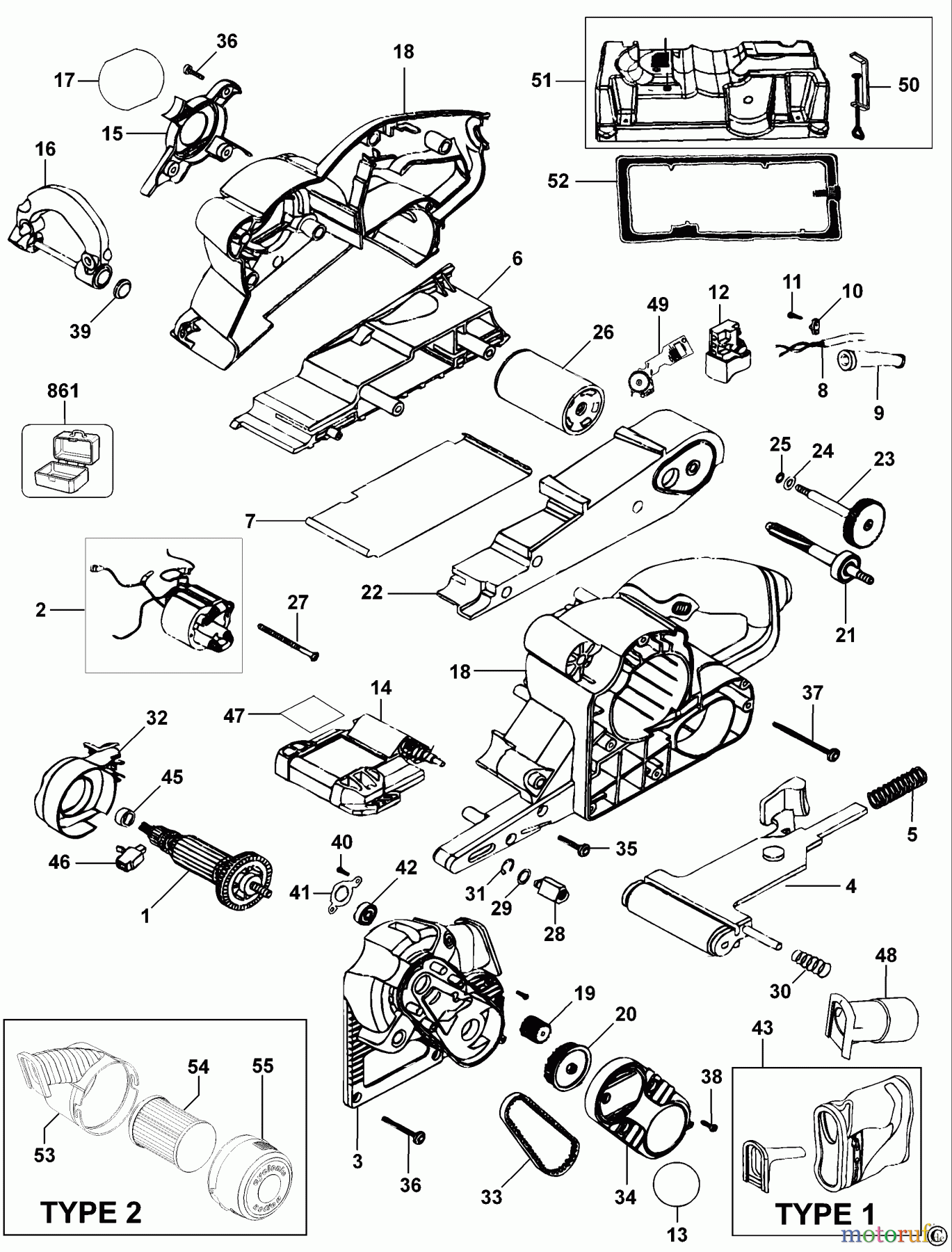
Hier finden Sie die Ersatzteilzeichnung für BLACK+DECKER INNENAUSSTATTUNG ABSCHLEIFGERÄT BANDSCHLEIFER XTA80E Seite 1. Wählen Sie das benötigte Ersatzteil aus der Ersatzteilliste Ihres BLACK+DECKER Gerätes aus und bestellen Sie einfach online. Viele BLACK+DECKER Ersatzteile halten wir ständig in unserem Lager für Sie bereit.



