PORTER CABLE 2 1/2IN FINISH NAILER FN250 Ersatzteile
FN250 2 1/2IN FINISH NAILER

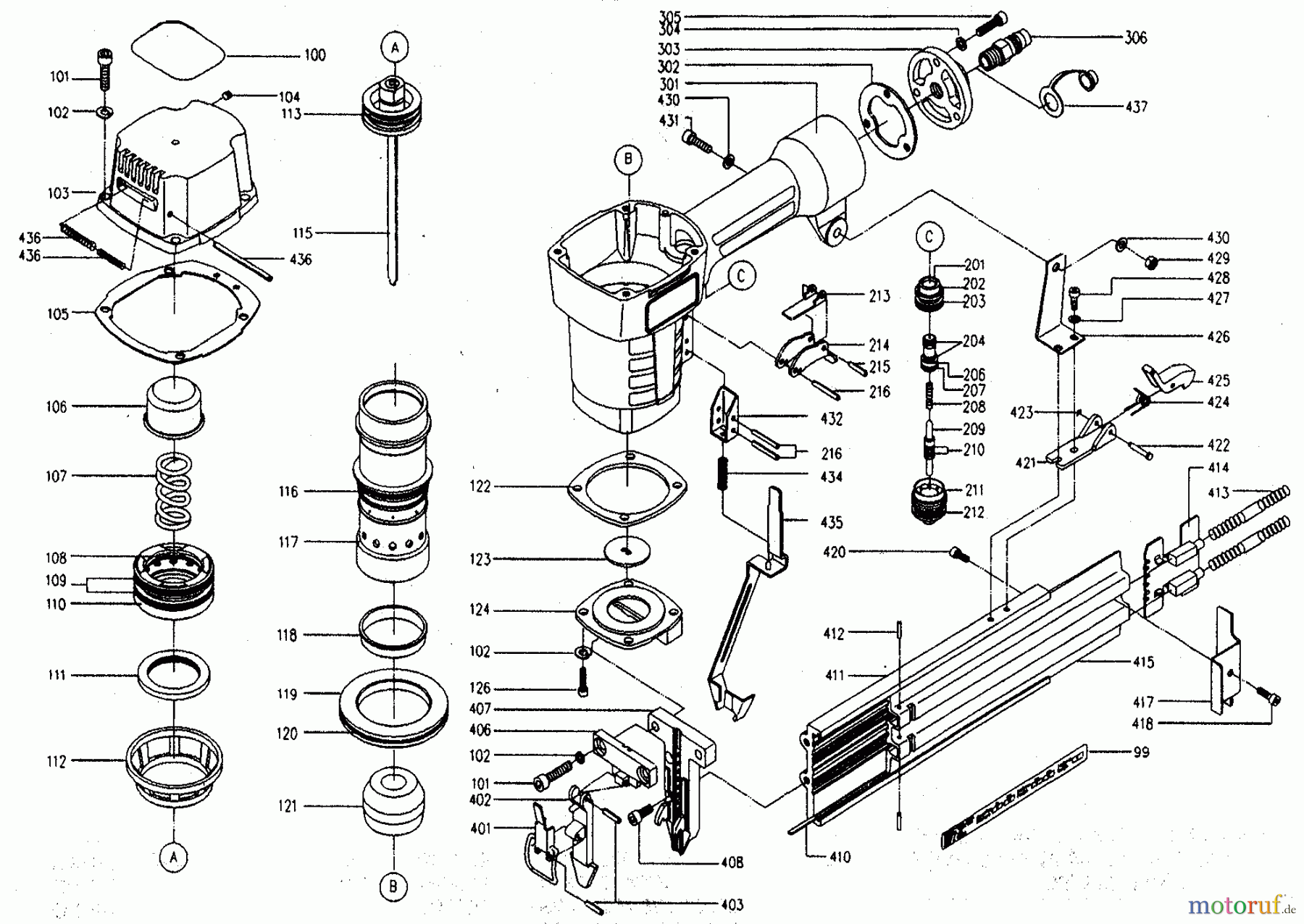
Hier finden Sie die Ersatzteilzeichnung für PORTER CABLE Divers 2 1/2IN FINISH NAILER FN250 Seite 1. Wählen Sie das benötigte Ersatzteil aus der Ersatzteilliste Ihres PORTER CABLE Gerätes aus und bestellen Sie einfach online. Viele PORTER CABLE Ersatzteile halten wir ständig in unserem Lager für Sie bereit.



