Einstellungen Computer

BLACK+DECKER KREISSGE CS1020 Ersatzteile

CS1020 KREISSGE

 BLACK+DECKER Divers KREISSGE CS1020 Seite 1

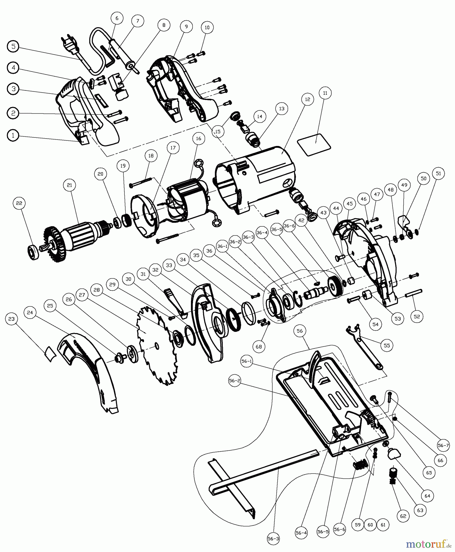
Hier finden Sie die Ersatzteilzeichnung für BLACK+DECKER Divers KREISSGE CS1020 Seite 1. Wählen Sie das benötigte Ersatzteil aus der Ersatzteilliste Ihres BLACK+DECKER Gerätes aus und bestellen Sie einfach online. Viele BLACK+DECKER Ersatzteile halten wir ständig in unserem Lager für Sie bereit.

BildNrArtikel NummerBezeichnung
1 SB-5140049-35GRIFF RECHTS
2 SB-5140050-58SCHRAUBE
3 SB-5140049-37SCHILD
4 SB-5140050-60KABELKLEMME
5 SB-5140049-39CORD SET
6 SB-5140050-62ZUENDKERZENSCHLÜSSEL
7 SB-5140050-63STRAIN RELIEVER
8 SB-5140050-64SCHALTER
9 SB-5140049-43GRIFF LINKS
10 SB-5140050-66SCHRAUBE
11 SB-5140049-45NAME PLATE
12 SB-5140049-46GEHAEUSE
13 SB-5140050-69KOHLEHALTER
14 SB-5140051-65KOHLE
15 SB-5140050-71KOHLEKAPPE
16 SB-5140051-66FELD
17 SB-5140049-51RING
18 SB-5140050-74SCHRAUBE
19 SB-5140050-75LAGERHULSE
20 SB-5140050-76KUGELLAGER
21 SB-5140049-55ANKER
22 SB-5140050-78KUGELLAGER
23 SB-5140049-57SCHILD
24 SB-5140050-80UPPER GUARD
25 SB-5140050-81SCHRAUBE
26 SB-5140050-82AUSSERER FLANSCH
27 SB-5140049-61Sägeblatt
28 SB-5140049-62INNERER FLANSCH
29 SB-5140051-02SCHRAUBE
30 SB-5140050-86RING
31 SB-5140050-87KNOPF
32 SB-5140050-88LOWER GUARD
33 SB-5140050-89SCHENKELFEDER-DOPPEL
34 SB-5140050-90RING
35 SB-5140049-69SCHRAUBE
36 SB-5140049-70GEHÄUSEDECKEL
42 SB-5140050-98RING
43 SB-5140050-99NADELHUELSE DIN N
44 SB-5140051-00SCHRAUBE
45 SB-5140051-01GETRIEBE
46 SB-5140049-81TELLERFEDER
47 SB-5140049-82SCHRAUBE
48 SB-5140051-03FLACHSCHEIBE
49 SB-5140051-04SPECIAL NUT
50 SB-5140051-05GUARD LEVER
51 SB-5140051-06SICHERUNGSRING
52 SB-5140051-07SCHRAUBE
53 SB-5140051-08DISTANZSCHEIBE
54 SB-5140049-89SCHRAUBE
55 SB-5140051-10ZUENDKERZENSCHLÜSSEL
56 SB-5140049-91SCHUH
59 SB-5140049-98SCHRAUBE
60 SB-5140051-17TELLERFEDER
61 SB-5140050-00FLACHSCHEIBE
62 SB-5140051-13FEDER
63 SB-5140051-14SCHRAUBE
64 SB-5140051-15MUTTER
65 SB-5140051-16SCHRAUBE
66 SB-5140050-05MUTTER
68 SB-5140050-07TOOTH WASHER
Rasen
Bankeinzug, MasterCard, Visa, American Express, PayPal, Nachnahme, Vorauskasse, Sofortüberweisung
Datenschutzerklärung Impressum
Qualitätsmanagement
Informieren Sie uns, wenn Sie einen Fehler gefunden haben.