CRAFTSMAN TRACTOR 917.203780 Ersatzteile
917.203780 TRACTOR

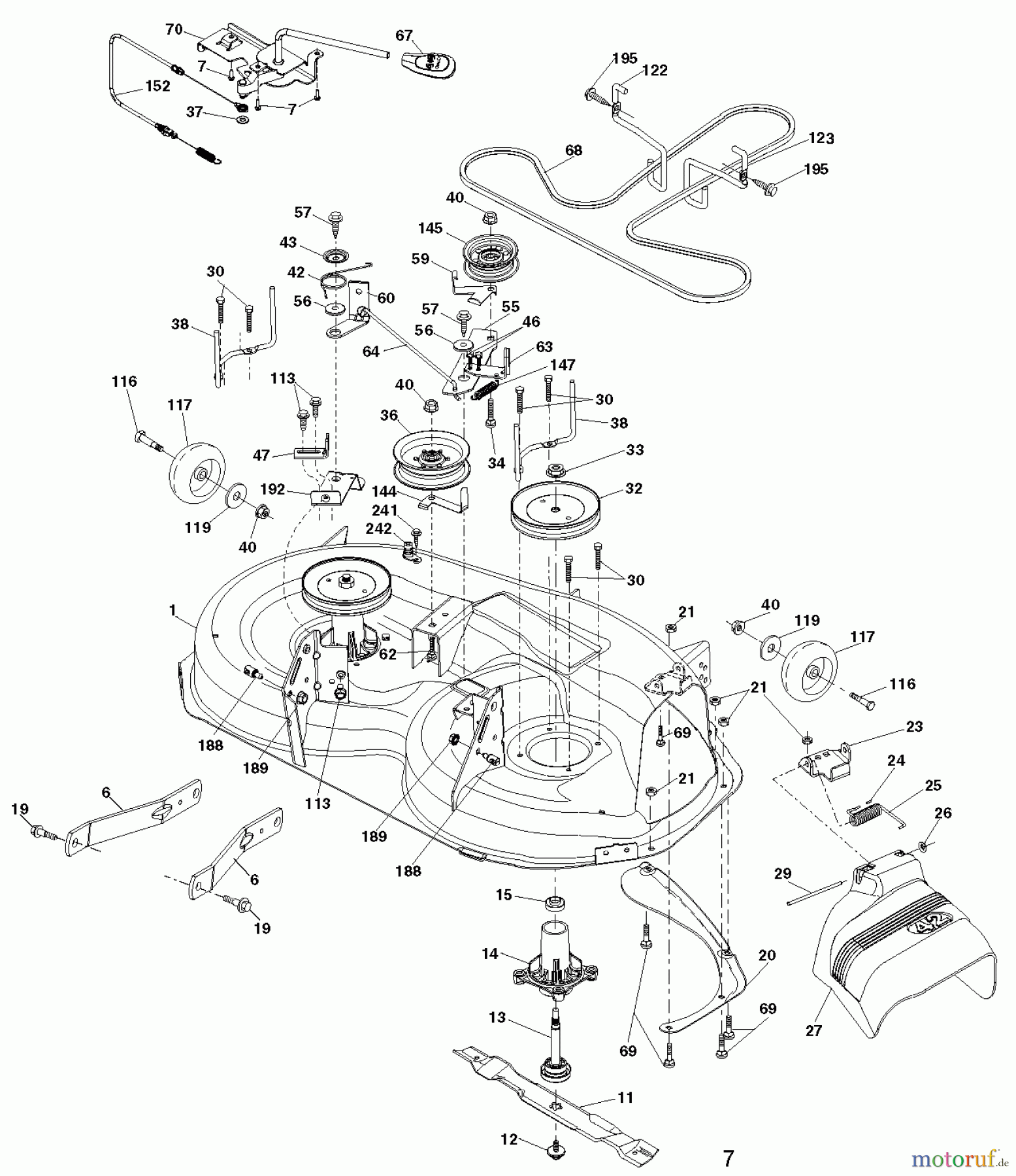
Hier finden Sie die Ersatzteilzeichnung für CRAFTSMAN Divers TRACTOR 917.203780 Seite 8. Wählen Sie das benötigte Ersatzteil aus der Ersatzteilliste Ihres CRAFTSMAN Gerätes aus und bestellen Sie einfach online. Viele CRAFTSMAN Ersatzteile halten wir ständig in unserem Lager für Sie bereit.
| BildNr | Artikel Nummer | Bezeichnung | |
| 7 | 445060X428 | GRIP- LEVER | |



