Gutbrod MVE 400 04009.01 (1990) Ersatzteile
04009.01 (1990) MVE 400

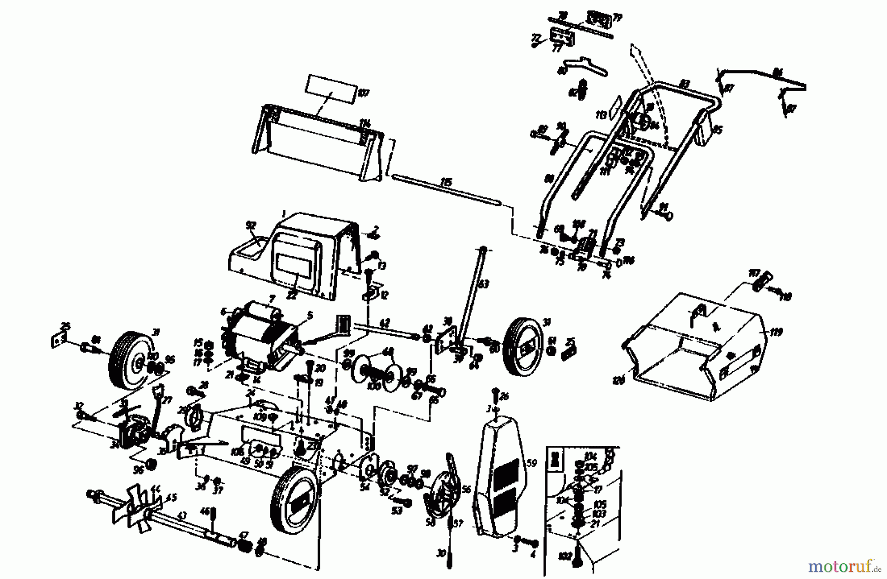
Hier finden Sie die Ersatzteilzeichnung für Gutbrod Elektrovertikutierer MVE 400 04009.01 (1990) Grundgerät. Wählen Sie das benötigte Ersatzteil aus der Ersatzteilliste Ihres Gutbrod Gerätes aus und bestellen Sie einfach online. Viele Gutbrod Ersatzteile halten wir ständig in unserem Lager für Sie bereit.


Qualitätsmanagement
Informieren Sie uns, wenn Sie einen Fehler gefunden haben.


