Gutbrod SR 800 E 02888.06 (1990) Ersatzteile
02888.06 (1990) SR 800 E

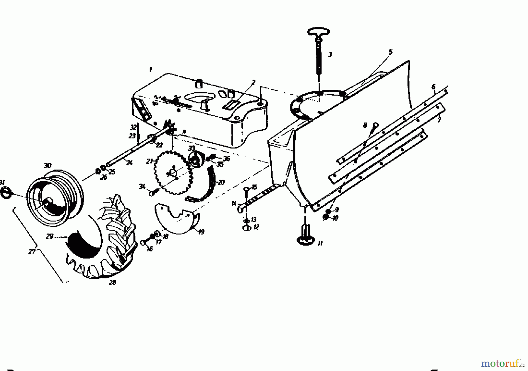
Hier finden Sie die Ersatzteilzeichnung für Gutbrod Schneeräumer SR 800 E 02888.06 (1990) Grundgerät. Wählen Sie das benötigte Ersatzteil aus der Ersatzteilliste Ihres Gutbrod Gerätes aus und bestellen Sie einfach online. Viele Gutbrod Ersatzteile halten wir ständig in unserem Lager für Sie bereit.



