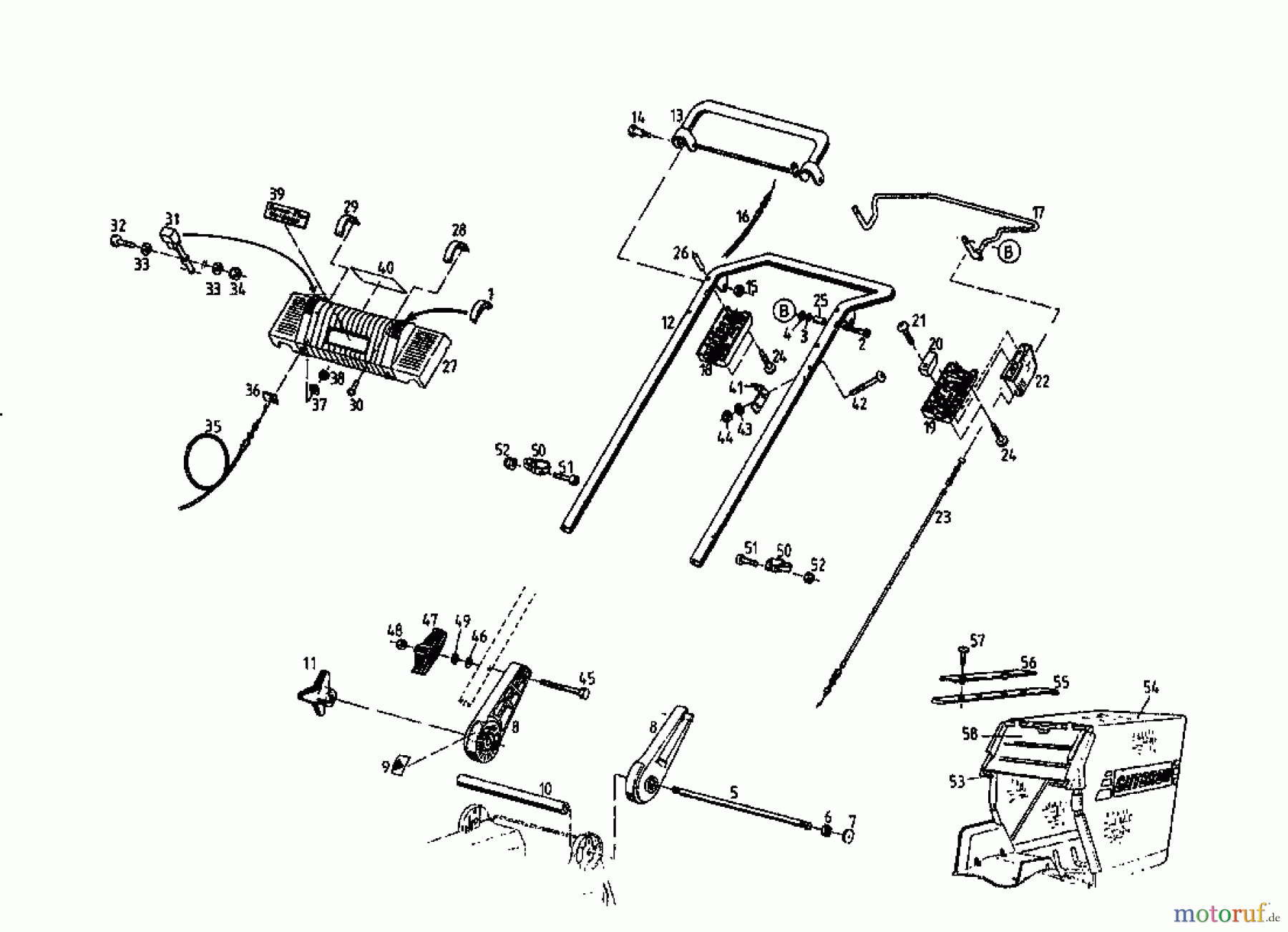
Gutbrod MH 544 R 04031.04 (1996) Holm Ersatzteile
Holm 04031.04 (1996)

Hier finden Sie die Ersatzteilzeichnung für Gutbrod Motormäher mit Antrieb MH 544 R 04031.04 (1996) Holm. Wählen Sie das benötigte Ersatzteil aus der Ersatzteilliste Ihres Gutbrod Gerätes aus und bestellen Sie einfach online. Viele Gutbrod Ersatzteile halten wir ständig in unserem Lager für Sie bereit.



