Einstellungen Computer

Gutbrod Sprint 800 E 02840.05 (1988) Mähwerk 66cm Ersatzteile

Mähwerk 66cm 02840.05 (1988)

 Gutbrod Rasentraktoren Sprint 800 E 02840.05  (1988) Mähwerk 66cm

Hier finden Sie die Ersatzteilzeichnung für Gutbrod Rasentraktoren Sprint 800 E 02840.05 (1988) Mähwerk 66cm. Wählen Sie das benötigte Ersatzteil aus der Ersatzteilliste Ihres Gutbrod Gerätes aus und bestellen Sie einfach online. Viele Gutbrod Ersatzteile halten wir ständig in unserem Lager für Sie bereit.

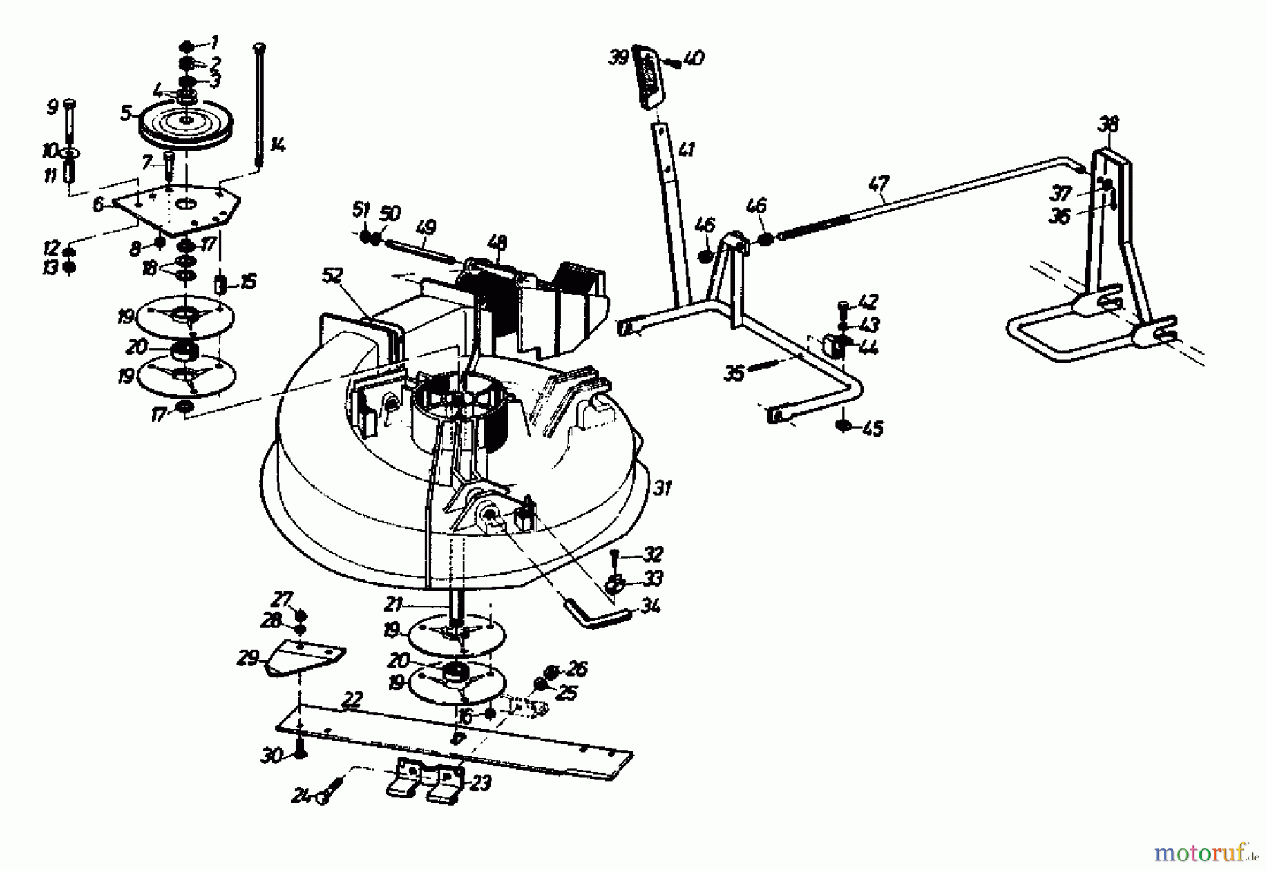
BildNrArtikel NummerBezeichnung
1 28.3591.15SICHERUNGSRING DIN 471
2 24.6273.50PASS UND STUETZSCHEIBEDIN 988
3 24.6484.29BLANKE SCHEIBE DIN 1440
4 24.6271.11PASS UND STUETZSCHEIBEDIN 988
5 029.25.801KEILRIEMENSCHEIBE KPL.
6 029.25.026ZWISCHENBLECH
7 21.1443.76SECHSKANTSCHRAUBE DIN 931-8.8
8 24.1423.18SECHSKANTMUTTER DIN 439
9 21.1443.96SECHSKANTSCHRAUBE DIN 931
10 24.6486.22SCHEIBE DIN 9021
11 021.56.191DISTANZHUELSE
12 24.6481.18SCHEIBE DIN 125
13 24.1426.18SICHERUNGSMUTTER DIN 985-8
14 22.3419.38FLACHRUNDSCHRAUBE DIN 603
15 029.25.025DISTANZSTUECK
16 24.1426.18SICHERUNGSMUTTER DIN 985-8
17 24.8170.08SICHERUNGSRING DIN 471
18 24.6278.44PASS UND STUETZSCHEIBEDIN 988
19 029.25.021LAGERGEHAEUSE
20 26.1027.04RILLENKUGELLAGER DIN 625
21 029.25.022WELLE
22 029.25.812MESSER VOLLST.
23 029.25.023MESSERBEFESTIGUNG
24 22.3419.41FLACHRD.SCHR.M.4KT.ANSDIN 603
25 24.6481.22SCHEIBE DIN 125
26 24.1426.22SICHERUNGSMUTTER DIN 985-8
27 24.1421.18SECHSKANTMUTTER DIN 934
28 24.8195.18FEDERRING DIN 127
29 079.77.255LUFTLEITBLECH 120X2,5-0,05 *S*
30 000.02.461FLACHRUNDSCHRAUBE
31 029.25.073MAEHDECK-SEITENAUSWURF
32 22.1418.34SENKSCHRAUBE M.SCHLITZDIN 963
33 000.33.044KLEMME
34 029.25.046BOLZEN VERZINKT
35 25.3197.06SPANNHUELSE DIN 1481
36 24.6488.38SPLINT DIN 94
38 029.25.823VERSTELLBUEGEL KPL.
39 029.25.036HANDGRIFF
40 000.02.371PLASTITE-SCHRAUBE
41 029.25.810SCHWENKBUEGEL KPL.
42 21.1441.70SECHSKANTSCHRAUBE DIN 933
43 24.8195.18FEDERRING DIN 127
44 029.25.034SCHELLE
45 24.1428.18VIERKANTMUTTER DIN 557
46 24.1428.18VIERKANTMUTTER DIN 557
46 24.1426.22SICHERUNGSMUTTER DIN 985-8
47 029.25.037STANGE
48 029.25.105PRALLSCHUTZ
49 029.25.106STANGE
50 24.6481.18SCHEIBE DIN 125
51 28.3591.08SICHERUNGSRING DIN 471
52 28.3591.08SICHERUNGSRING DIN 471
Rasen
Bankeinzug, MasterCard, Visa, American Express, PayPal, Nachnahme, Vorauskasse, Sofortüberweisung
Datenschutzerklärung Impressum
Qualitätsmanagement
Informieren Sie uns, wenn Sie einen Fehler gefunden haben.