Gutbrod RSB 80-10 04015.09 (1993) Vorderachse Ersatzteile
Vorderachse 04015.09 (1993)

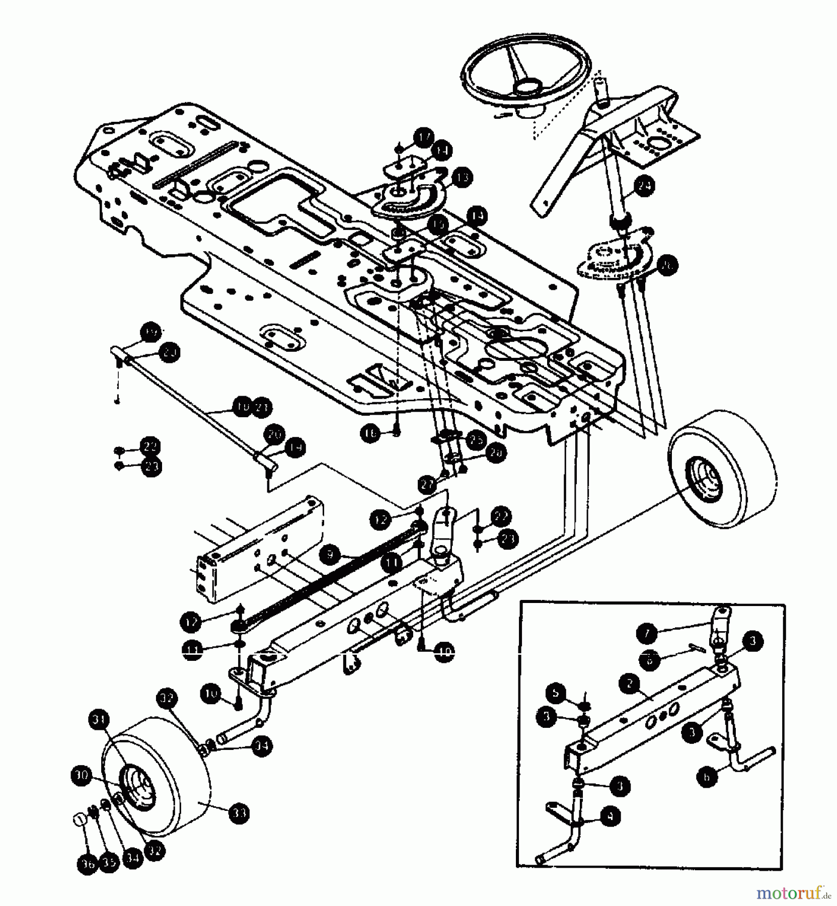
Hier finden Sie die Ersatzteilzeichnung für Gutbrod Rasentraktoren RSB 80-10 04015.09 (1993) Vorderachse. Wählen Sie das benötigte Ersatzteil aus der Ersatzteilliste Ihres Gutbrod Gerätes aus und bestellen Sie einfach online. Viele Gutbrod Ersatzteile halten wir ständig in unserem Lager für Sie bereit.



