Einkaufswagen
Mein Konto

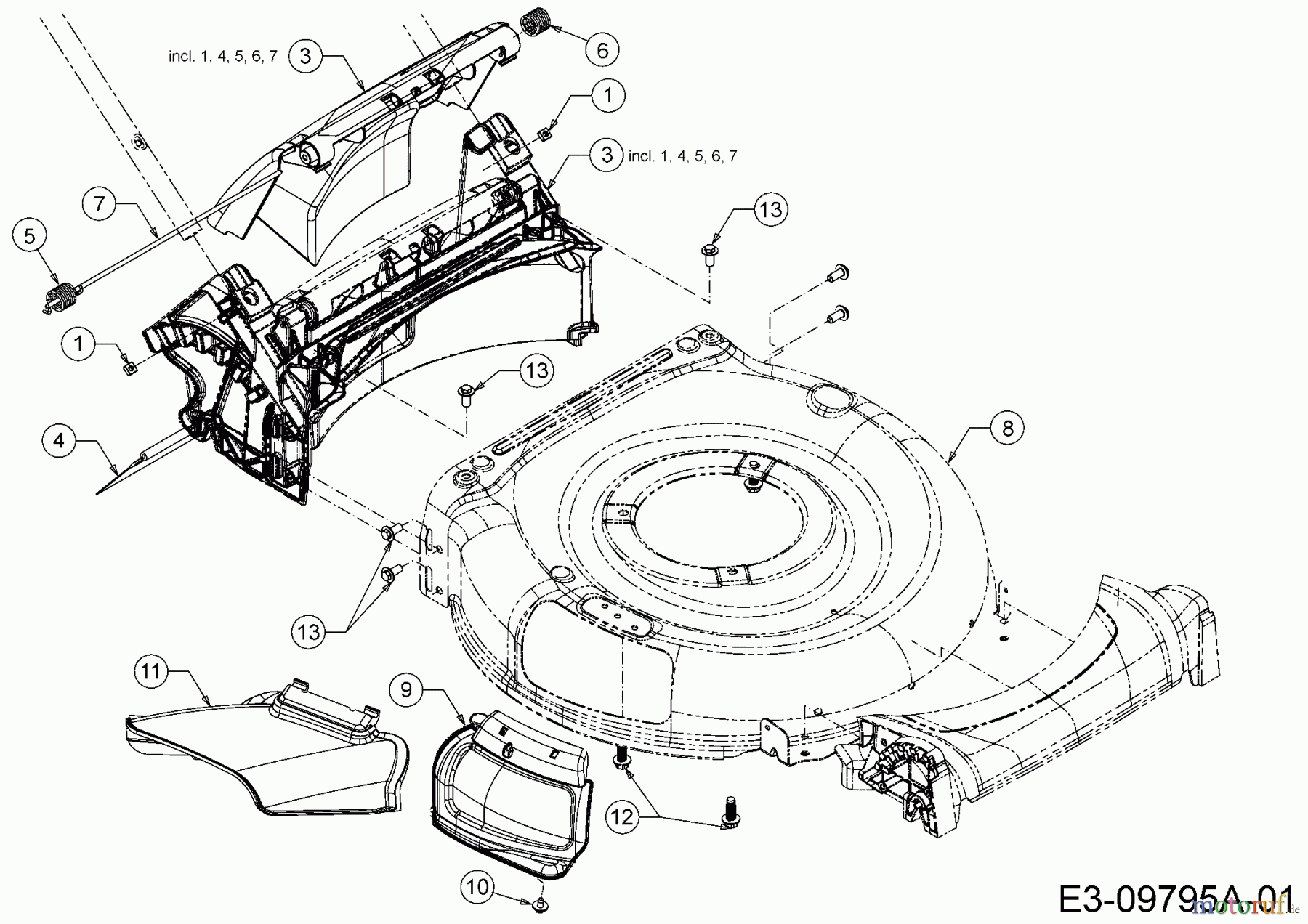
Troy-Bilt TB 130 11A-B2AQ311 (2016) Deflektor, Mähwerksgehäuse, Mulchklappe, Leitstück hinten, Waschdüse Ersatzteile

Deflektor, Mähwerksgehäuse, Mulchklappe, Leitstück hinten, Waschdüse 11A-B2AQ311 (2016)

 Troy-Bilt Motormäher TB 130 11A-B2AQ311  (2016) Deflektor, Mähwerksgehäuse, Mulchklappe, Leitstück hinten, Waschdüse

Hier finden Sie die Ersatzteilzeichnung für Troy-Bilt Motormäher TB 130 11A-B2AQ311 (2016) Deflektor, Mähwerksgehäuse, Mulchklappe, Leitstück hinten, Waschdüse. Wählen Sie das benötigte Ersatzteil aus der Ersatzteilliste Ihres Troy-Bilt Gerätes aus und bestellen Sie einfach online. Viele Troy-Bilt Ersatzteile halten wir ständig in unserem Lager für Sie bereit.

Rasen
Bankeinzug, MasterCard, Visa, American Express, PayPal, Nachnahme, Vorauskasse, Sofortüberweisung
Qualitätsmanagement
Informieren Sie uns, wenn Sie einen Fehler gefunden haben.