Einstellungen Computer

Troy-Bilt TB 240 12AVB2AQ311 (2016) Deflektor, Mähwerksgehäuse, Mulchklappe, Leitstück hinten, Waschdüse Ersatzteile

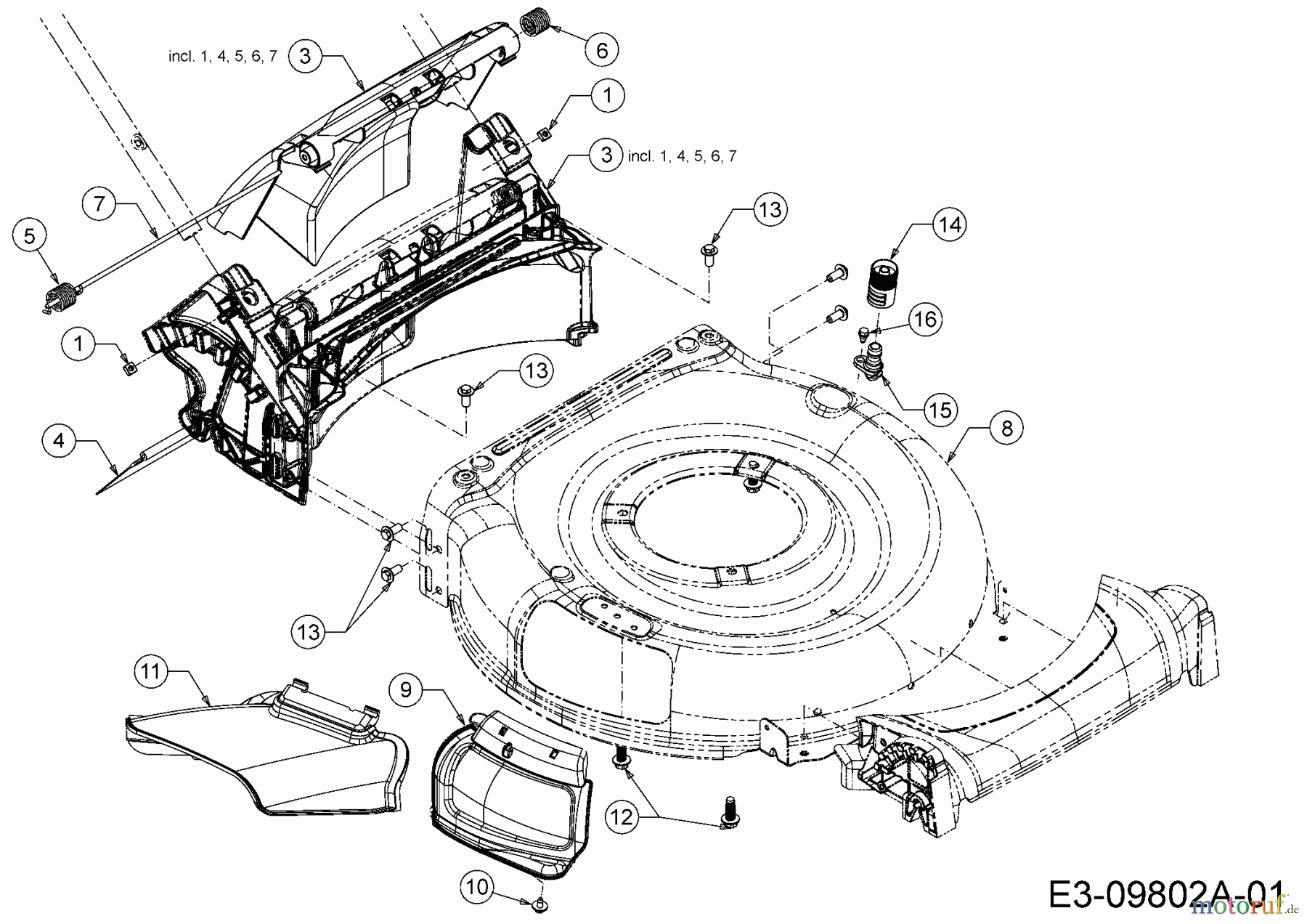
Deflektor, Mähwerksgehäuse, Mulchklappe, Leitstück hinten, Waschdüse 12AVB2AQ311 (2016)

 Troy-Bilt Motormäher mit Antrieb TB 240 12AVB2AQ311  (2016) Deflektor, Mähwerksgehäuse, Mulchklappe, Leitstück hinten, Waschdüse

Hier finden Sie die Ersatzteilzeichnung für Troy-Bilt Motormäher mit Antrieb TB 240 12AVB2AQ311 (2016) Deflektor, Mähwerksgehäuse, Mulchklappe, Leitstück hinten, Waschdüse. Wählen Sie das benötigte Ersatzteil aus der Ersatzteilliste Ihres Troy-Bilt Gerätes aus und bestellen Sie einfach online. Viele Troy-Bilt Ersatzteile halten wir ständig in unserem Lager für Sie bereit.

Rasen
Bankeinzug, MasterCard, Visa, American Express, PayPal, Nachnahme, Vorauskasse, Sofortüberweisung
Datenschutzerklärung Impressum
Qualitätsmanagement
Informieren Sie uns, wenn Sie einen Fehler gefunden haben.