Cub Cadet CSV 060 24A-06MP603 (2014) Gehäuse Ersatzteile
Gehäuse 24A-06MP603 (2014)

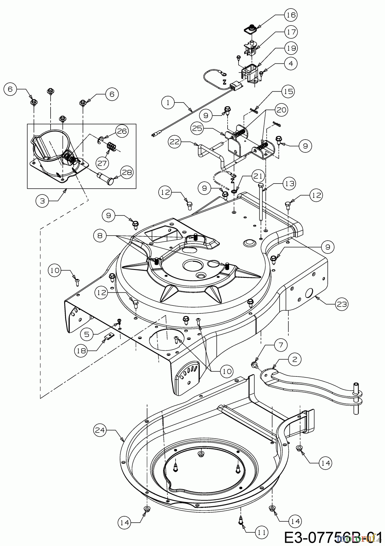
Hier finden Sie die Ersatzteilzeichnung für Cub Cadet Laubsauger mit Häckselfunktion CSV 060 24A-06MP603 (2014) Gehäuse. Wählen Sie das benötigte Ersatzteil aus der Ersatzteilliste Ihres Cub Cadet Gerätes aus und bestellen Sie einfach online. Viele Cub Cadet Ersatzteile halten wir ständig in unserem Lager für Sie bereit.


Qualitätsmanagement
Informieren Sie uns, wenn Sie einen Fehler gefunden haben.












