Cub Cadet SC 100 11A-A92J710 (2016) Deflektor, Mähwerksgehäuse, Mulchklappe, Leitstück hinten, Waschdüse Ersatzteile
Deflektor, Mähwerksgehäuse, Mulchklappe, Leitstück hinten, Waschdüse 11A-A92J710 (2016)

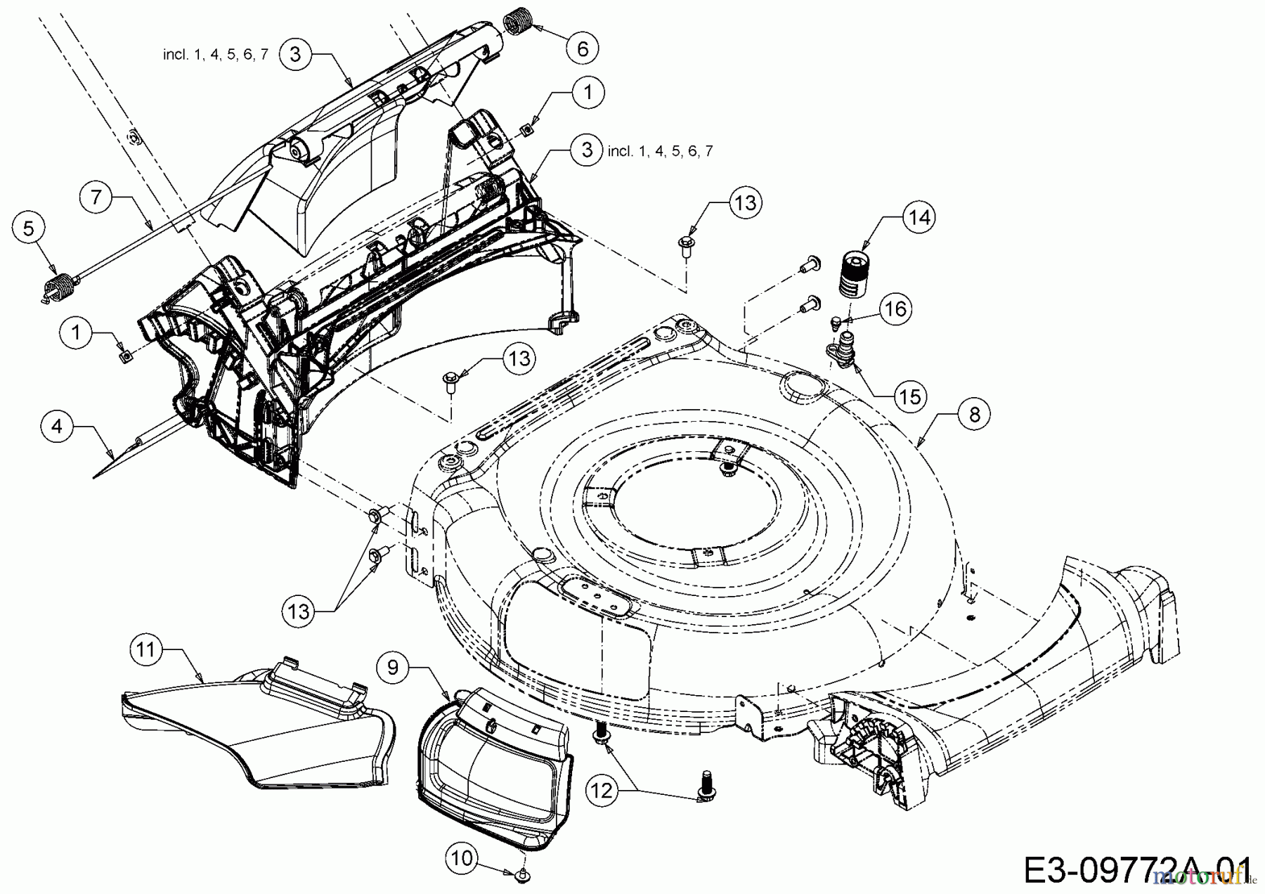
Hier finden Sie die Ersatzteilzeichnung für Cub Cadet Motormäher SC 100 11A-A92J710 (2016) Deflektor, Mähwerksgehäuse, Mulchklappe, Leitstück hinten, Waschdüse. Wählen Sie das benötigte Ersatzteil aus der Ersatzteilliste Ihres Cub Cadet Gerätes aus und bestellen Sie einfach online. Viele Cub Cadet Ersatzteile halten wir ständig in unserem Lager für Sie bereit.


Qualitätsmanagement
Informieren Sie uns, wenn Sie einen Fehler gefunden haben.




