Cub Cadet CC 114 HA 13A221HD603 (2016) Frontgewicht, Verkleidungen Ersatzteile
Frontgewicht, Verkleidungen 13A221HD603 (2016)

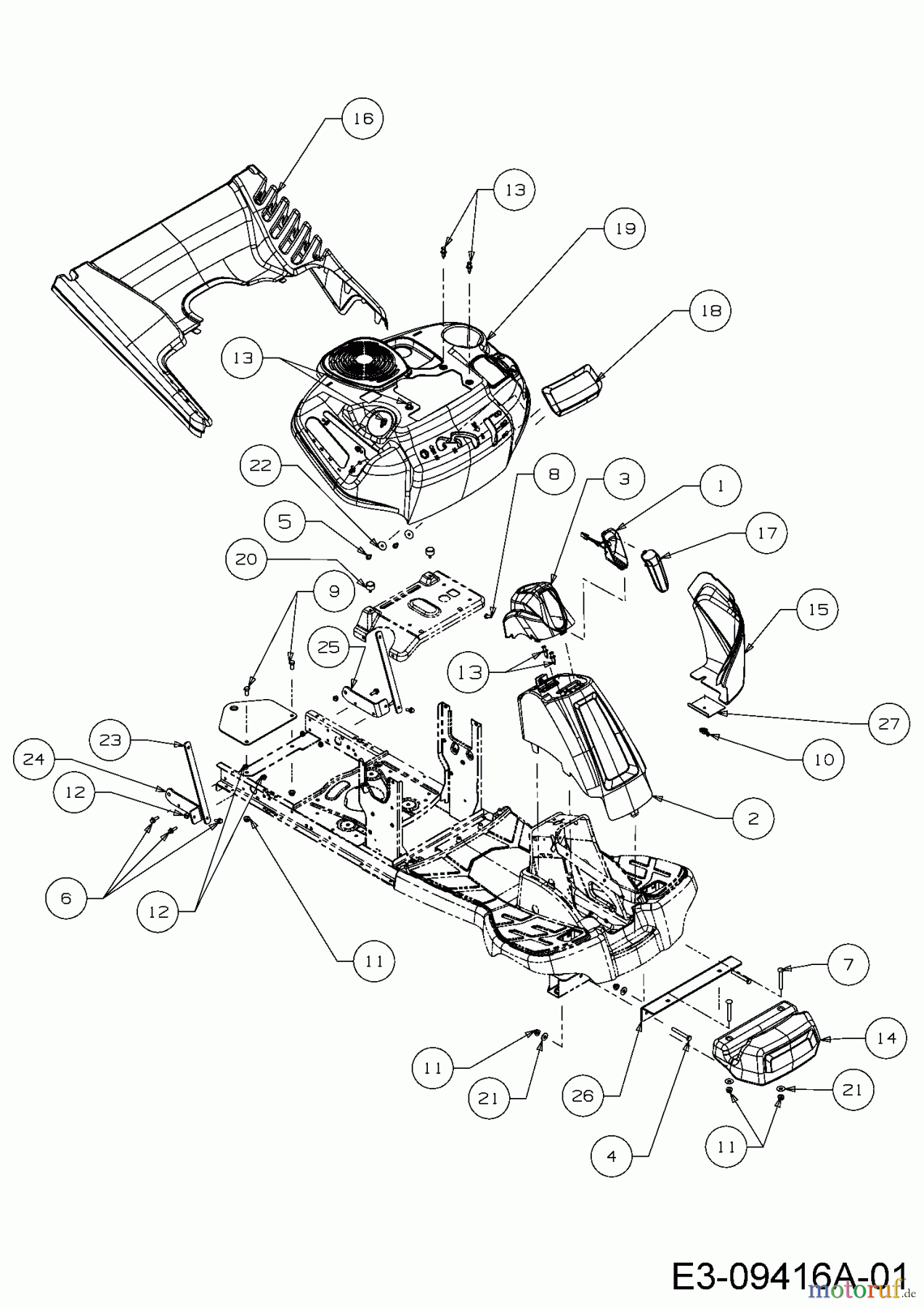
Hier finden Sie die Ersatzteilzeichnung für Cub Cadet Rasentraktoren CC 114 HA 13A221HD603 (2016) Frontgewicht, Verkleidungen. Wählen Sie das benötigte Ersatzteil aus der Ersatzteilliste Ihres Cub Cadet Gerätes aus und bestellen Sie einfach online. Viele Cub Cadet Ersatzteile halten wir ständig in unserem Lager für Sie bereit.


Qualitätsmanagement
Informieren Sie uns, wenn Sie einen Fehler gefunden haben.









