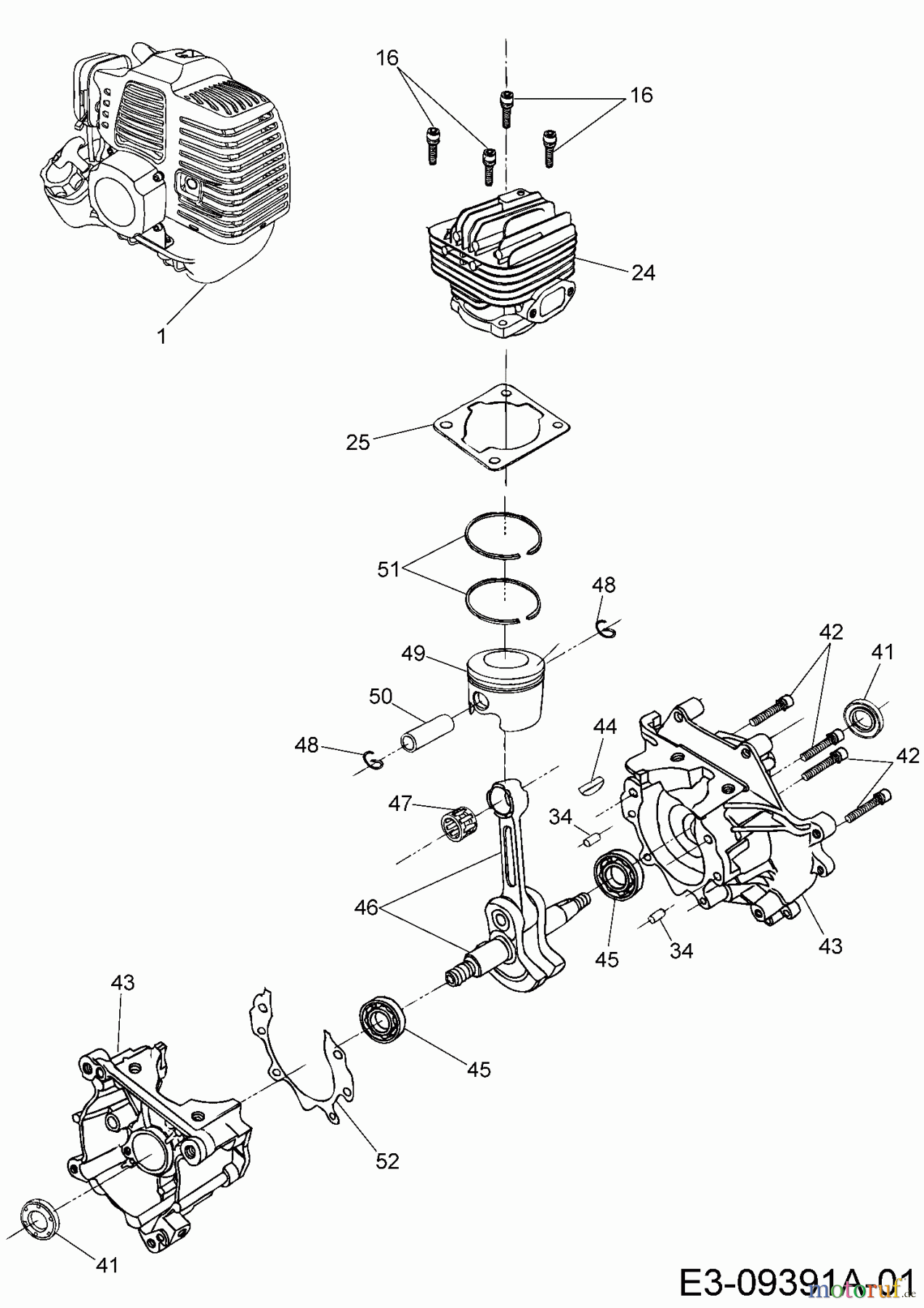
MTD 1033 J 41AD7UXJ678 (2015) Kurbelgehäuse, Motor, Zylinder Ersatzteile
Kurbelgehäuse, Motor, Zylinder 41AD7UXJ678 (2015)

Hier finden Sie die Ersatzteilzeichnung für MTD Motorsensen 1033 J 41AD7UXJ678 (2015) Kurbelgehäuse, Motor, Zylinder. Wählen Sie das benötigte Ersatzteil aus der Ersatzteilliste Ihres MTD Gerätes aus und bestellen Sie einfach online. Viele MTD Ersatzteile halten wir ständig in unserem Lager für Sie bereit.



















