Einstellungen Computer

MTD 15.5/42 13AM775S308 (2016) Mähwerk S (42"/107cm) Ersatzteile

Mähwerk S (42"/107cm) 13AM775S308 (2016)

 MTD Rasentraktoren 15.5/42 13AM775S308  (2016) Mähwerk S (42

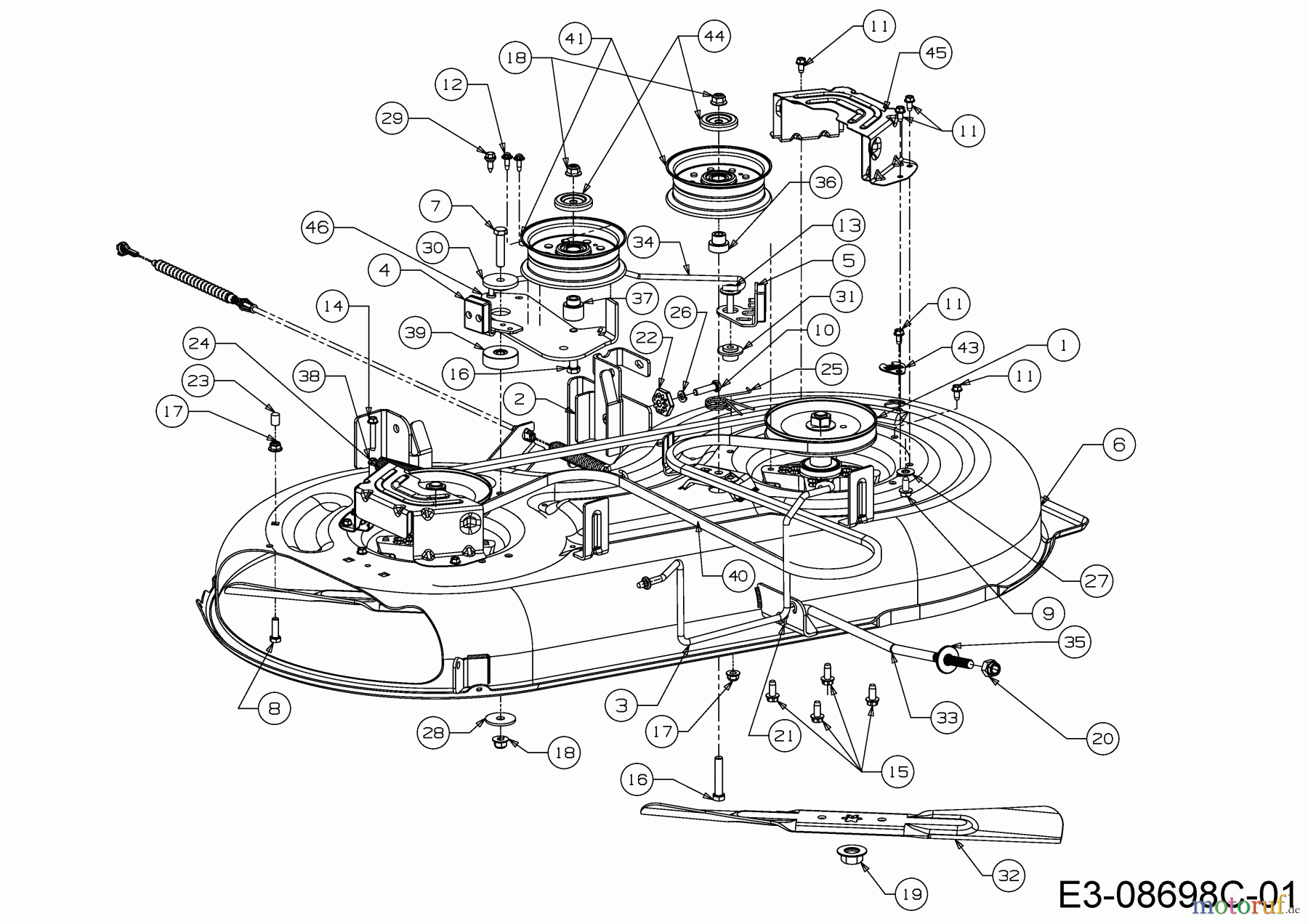
Hier finden Sie die Ersatzteilzeichnung für MTD Rasentraktoren 15.5/42 13AM775S308 (2016) Mähwerk S (42"/107cm). Wählen Sie das benötigte Ersatzteil aus der Ersatzteilliste Ihres MTD Gerätes aus und bestellen Sie einfach online. Viele MTD Ersatzteile halten wir ständig in unserem Lager für Sie bereit.

BildNrArtikel NummerBezeichnung
1 618-06991MESSERWELLE KPL.
2 683-0254BHALTER VOLLST:DECKAUFHÄNGUNG
3 683-04443KEILRIEMENFÜHRUNG VOLLST:42"
4 683-05182BREMSE VOLLST:DECK:RECHTS
5 683-05183BREMSE VOLLST:DECK:LINKS
6 683-05185MÄHWERKSGEHÄUSE 42"
7 MTD 6KT-SCHR:3/8-16:1.75:GR5:STD710-03476KT-SCHR:3/8-16:1.75:GR5:STD
8 MTD 6KT-SCHR:5/16-18:1.00:GR5:STD710-03766KT-SCHR:5/16-18:1.00:GR5:STD
9 MTD 6KT-SCHRAUBE:TT:5/16-18:.750710-044846KT-SCHRAUBE:TT:5/16-18:.750
10 MTD 6KT-SCHR:5/16-18:1.25:GR5:STD710-05286KT-SCHR:5/16-18:1.25:GR5:STD
11 MTD 6KT-SCHRAUBE:TT:1/4-20:0.500710-05996KT-SCHRAUBE:TT:1/4-20:0.500
12 710-061336KT-SCHR:CF:M6-1 x.625" NX-15
13 710-062136KT-SCHR:SEMS:5/16-18x1.25:GR5
14 MTD 6KT-SCHRAUBE:TT:1/4-20:1.500710-07786KT-SCHRAUBE:TT:1/4-20:1.500
15 MTD 6KT-SCHRAUBE:TT:5/16-18:0.875710-063226KT-SCHRAUBE:TT:5/16-18:0.875
16 710-30966KT-SCHR:3/8-16:2.00":GR8:STD
17 MTD 6KT-BUNDMUTTER:5/16-18:NYLON712-040636KT-BUNDMUTTER:5/16-18:NYLON
18 MTD S-6KT-BUNDMUTTER 3/8-16:NYLON712-04065S-6KT-BUNDMUTTER 3/8-16:NYLON
19 MTD 6KT-BUNDMUTTER:5/8-18712-0417A6KT-BUNDMUTTER:5/8-18
20 MTD KRONENMUTTER:1/2-13712-04243KRONENMUTTER:1/2-13
21 MTD FEDERSTECKER:GEBOGEN714-04043FEDERSTECKER:GEBOGEN
22 MTD ZAHNRAD:Z10:DECKEINSTELLUNG717-04074ZAHNRAD:Z10:DECKEINSTELLUNG
23 720-05010ENDKAPPE:VINYL:.290 x .500
24 732-04629ZUGFEDER:.750 x 4.77
25 732-05151ASCHENKELFEDER:BREMSE:LINKS
26 MTD FEDERRING:5/16" NORMALAUSF.736-0119FEDERRING:5/16" NORMALAUSF.
27 MTD SCHEIBE:FLACH:.406 x.875 x.059736-0300SCHEIBE:FLACH:.406 x.875 x.059
28 736-3039SCHEIBE:FLACH:.406x1.500x.105
29 MTD SCHULTER-SCHRAUBE:.368x.113:TT738-04184ASCHULTER-SCHRAUBE:.368x.113:TT
30 738-05082BUNDSCHEIBE:.970 x .190
31 738-05088DISTANZBUCHSE:m.BUND:.750x.145
32 742-04308PROPELLERMESSER:21.23":2-IN-1
33 747-05141AAUSHEBESTANGE:DECK:VORN:12.7"
34 747-06538BREMSSTANGE
35 748-04069GELENKSCHALE:DECKAUSHEBUNG
36 MTD BUNDBUCHSE:SPANNROLLE748-05029ABUNDBUCHSE:SPANNROLLE
37 748-05037ADISTANZSTÜCK:SPANNROLLE/HALTER
38 MTD DISTANZSTÜCK:.260x.372x1.030 L750-0566ADISTANZSTÜCK:.260x.372x1.030 L
39 750-06184DISTANZSTÜCK.385IDx1.75ODx.585
40 MTD KEILRIEMEN:V:A:96.5":ARAM:C2754-04060CKEILRIEMEN:V:A:96.5":ARAM:C2
41 756-05034SPANNROLLE: Ò 4.50"
43 MTD ABDECKUNG783-06464ABDECKUNG
44 MTD ABDECKBLECH:RND:SPANNROLLE:HD783-08389ABDECKBLECH:RND:SPANNROLLE:HD
45 783-08510
46 783-08654CHALTER SPANNROLLE
Rasen
Bankeinzug, MasterCard, Visa, American Express, PayPal, Nachnahme, Vorauskasse, Sofortüberweisung
Datenschutzerklärung Impressum
Qualitätsmanagement
Informieren Sie uns, wenn Sie einen Fehler gefunden haben.