MTD P 180 HG 13AT793G678 (2009) Hitzeschutz bis 31.10.2008 Ersatzteile
Hitzeschutz bis 31.10.2008 13AT793G678 (2009)

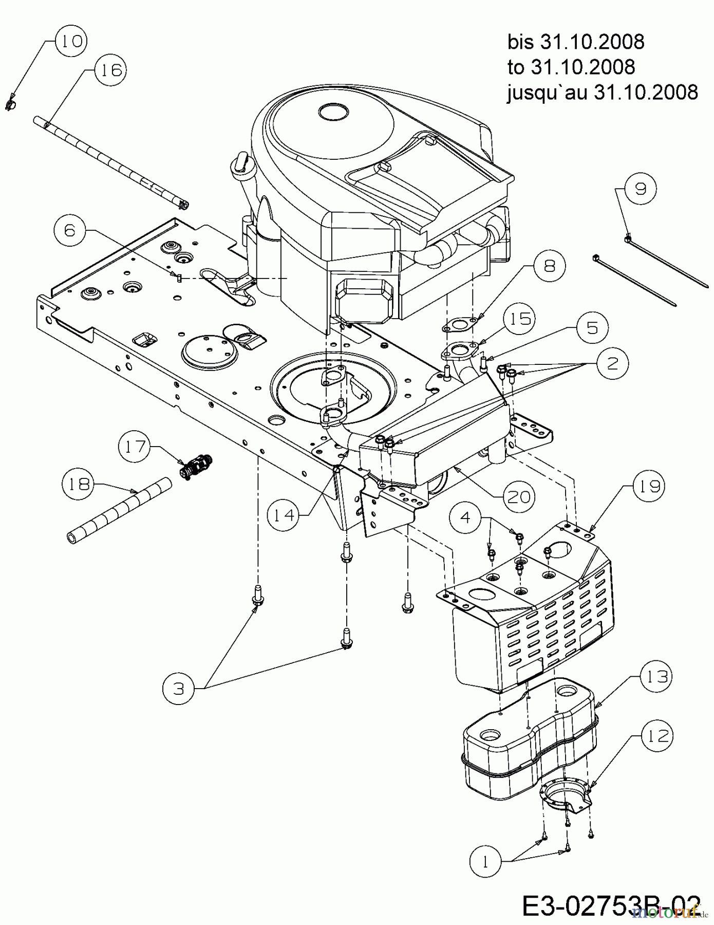
Hier finden Sie die Ersatzteilzeichnung für MTD Rasentraktoren P 180 HG 13AT793G678 (2009) Hitzeschutz bis 31.10.2008. Wählen Sie das benötigte Ersatzteil aus der Ersatzteilliste Ihres MTD Gerätes aus und bestellen Sie einfach online. Viele MTD Ersatzteile halten wir ständig in unserem Lager für Sie bereit.


Qualitätsmanagement
Informieren Sie uns, wenn Sie einen Fehler gefunden haben.









