Wolf-Garten Ambition SF 66 TE 31AY74T3650 (2014) Fahrantrieb, Fräsantrieb Ersatzteile
Fahrantrieb, Fräsantrieb 31AY74T3650 (2014)

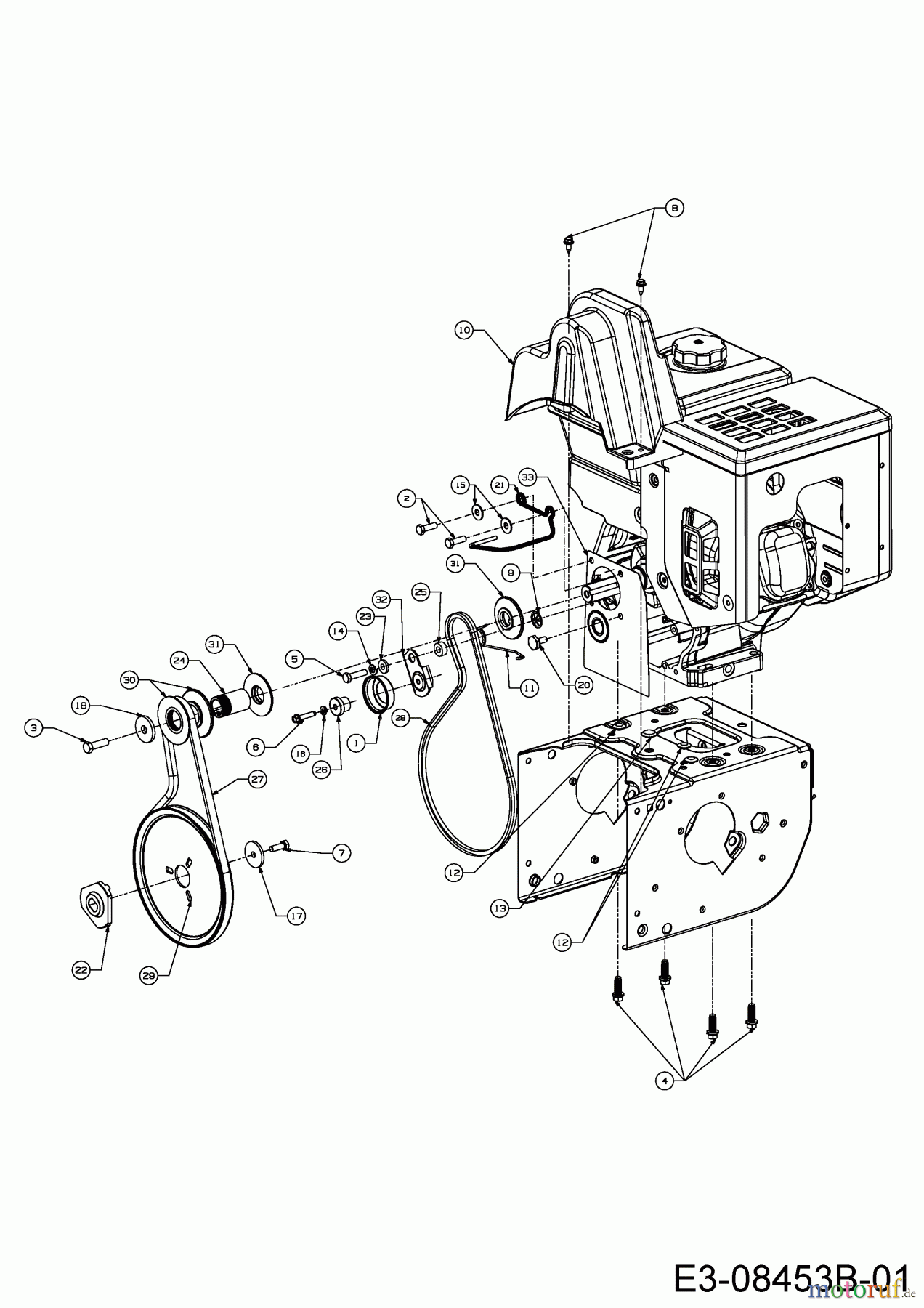
Hier finden Sie die Ersatzteilzeichnung für Wolf-Garten Schneefräsen Ambition SF 66 TE 31AY74T3650 (2014) Fahrantrieb, Fräsantrieb. Wählen Sie das benötigte Ersatzteil aus der Ersatzteilliste Ihres Wolf-Garten Gerätes aus und bestellen Sie einfach online. Viele Wolf-Garten Ersatzteile halten wir ständig in unserem Lager für Sie bereit.


Qualitätsmanagement
Informieren Sie uns, wenn Sie einen Fehler gefunden haben.










