Massey Ferguson MF 38-16 SH 13HD93GF695 (2016) Abdeckungen links und rechts Mähwerk F (38"/96cm) Ersatzteile
Abdeckungen links und rechts Mähwerk F (38"/96cm) 13HD93GF695 (2016)

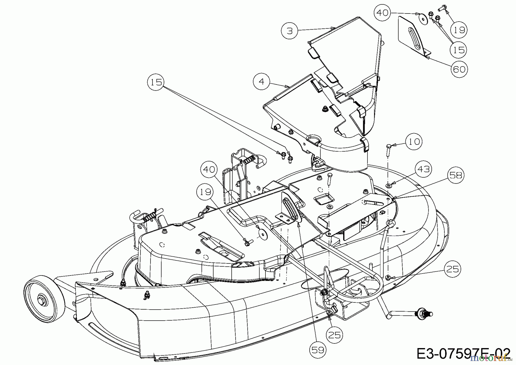
Hier finden Sie die Ersatzteilzeichnung für Massey Ferguson Rasentraktoren MF 38-16 SH 13HD93GF695 (2016) Abdeckungen links und rechts Mähwerk F (38"/96cm). Wählen Sie das benötigte Ersatzteil aus der Ersatzteilliste Ihres Massey Ferguson Gerätes aus und bestellen Sie einfach online. Viele Massey Ferguson Ersatzteile halten wir ständig in unserem Lager für Sie bereit.










































