Gutbrod HE 42 L 18A-L5F-604 (1998) Räder, Schnitthöhenverstellung Ersatzteile
Räder, Schnitthöhenverstellung 18A-L5F-604 (1998)

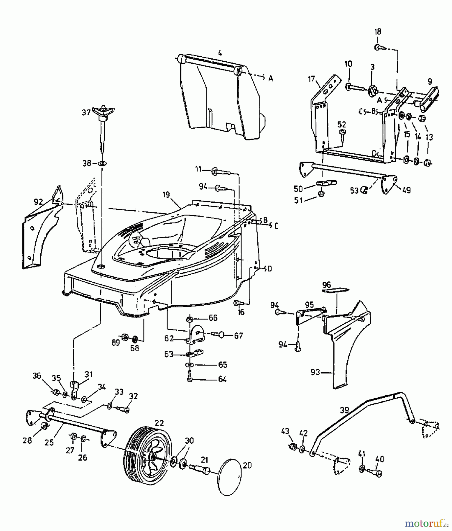
Hier finden Sie die Ersatzteilzeichnung für Gutbrod Elektromäher HE 42 L 18A-L5F-604 (1998) Räder, Schnitthöhenverstellung. Wählen Sie das benötigte Ersatzteil aus der Ersatzteilliste Ihres Gutbrod Gerätes aus und bestellen Sie einfach online. Viele Gutbrod Ersatzteile halten wir ständig in unserem Lager für Sie bereit.



