Masport 42 13AL93GS319 (2015) Schaltplan Ersatzteile
Schaltplan 13AL93GS319 (2015)

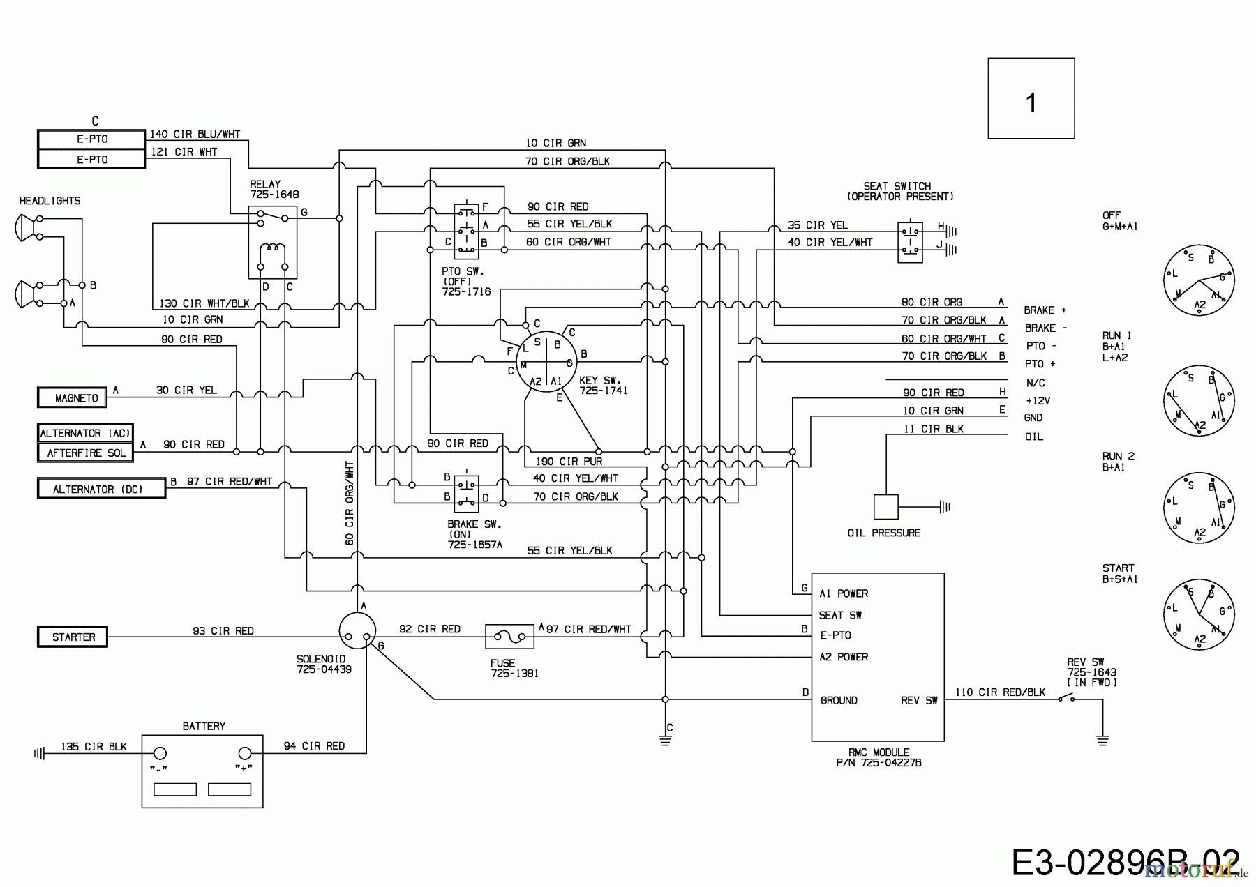
Hier finden Sie die Ersatzteilzeichnung für Masport Rasentraktoren Masport 42 13AL93GS319 (2015) Schaltplan. Wählen Sie das benötigte Ersatzteil aus der Ersatzteilliste Ihres Masport Gerätes aus und bestellen Sie einfach online. Viele Masport Ersatzteile halten wir ständig in unserem Lager für Sie bereit.
| BildNr | Artikel Nummer | Bezeichnung | |
| 1 | 725-05036 | ||


Qualitätsmanagement
Informieren Sie uns, wenn Sie einen Fehler gefunden haben.

