Colombia PX 180 KT 105 H 13HG71GN646 (2014) Fahrantrieb Ersatzteile
Fahrantrieb 13HG71GN646 (2014)

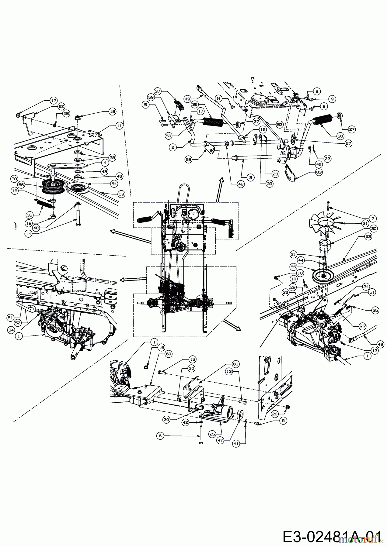
Hier finden Sie die Ersatzteilzeichnung für Colombia Rasentraktoren PX 180 KT 105 H 13HG71GN646 (2014) Fahrantrieb. Wählen Sie das benötigte Ersatzteil aus der Ersatzteilliste Ihres Colombia Gerätes aus und bestellen Sie einfach online. Viele Colombia Ersatzteile halten wir ständig in unserem Lager für Sie bereit.

































