Einstellungen Computer

Troy-Bilt Mustang XP 50 17AFCACP011 (2013) Mähwerk P (50"/127cm) Ersatzteile

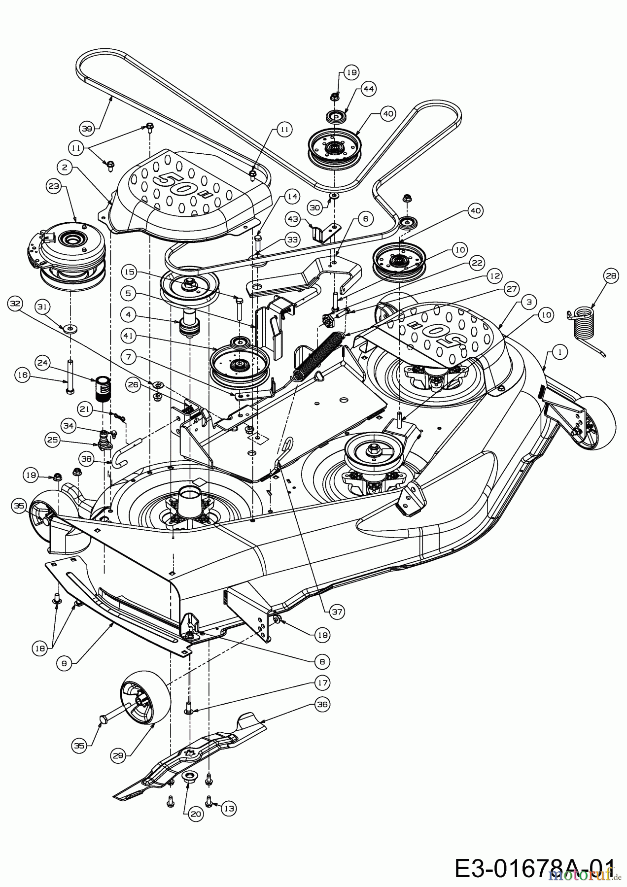
Mähwerk P (50"/127cm) 17AFCACP011 (2013)

 Troy-Bilt Zero Turn Mustang XP 50 17AFCACP011  (2013) Mähwerk P (50

Hier finden Sie die Ersatzteilzeichnung für Troy-Bilt Zero Turn Mustang XP 50 17AFCACP011 (2013) Mähwerk P (50"/127cm). Wählen Sie das benötigte Ersatzteil aus der Ersatzteilliste Ihres Troy-Bilt Gerätes aus und bestellen Sie einfach online. Viele Troy-Bilt Ersatzteile halten wir ständig in unserem Lager für Sie bereit.

Rasen
Bankeinzug, MasterCard, Visa, American Express, PayPal, Nachnahme, Vorauskasse, Sofortüberweisung
Datenschutzerklärung Impressum
Qualitätsmanagement
Informieren Sie uns, wenn Sie einen Fehler gefunden haben.