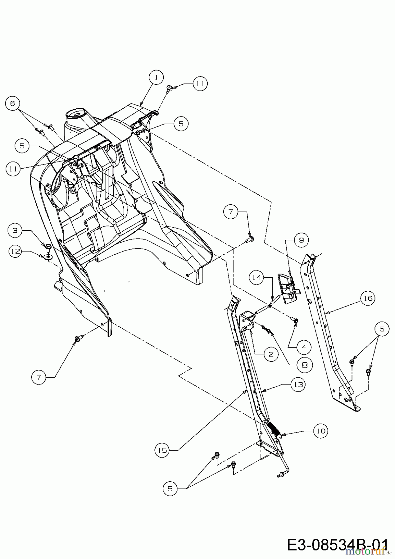
Troy-Bilt TB 4220 13AP90KS309 (2015) Armaturenbrett Ersatzteile
Armaturenbrett 13AP90KS309 (2015)

Hier finden Sie die Ersatzteilzeichnung für Troy-Bilt Rasentraktoren TB 4220 13AP90KS309 (2015) Armaturenbrett. Wählen Sie das benötigte Ersatzteil aus der Ersatzteilliste Ihres Troy-Bilt Gerätes aus und bestellen Sie einfach online. Viele Troy-Bilt Ersatzteile halten wir ständig in unserem Lager für Sie bereit.


Qualitätsmanagement
Informieren Sie uns, wenn Sie einen Fehler gefunden haben.







