Troy-Bilt TB 4216 13AV90KS309 (2013) Schaltplan Ersatzteile
Schaltplan 13AV90KS309 (2013)

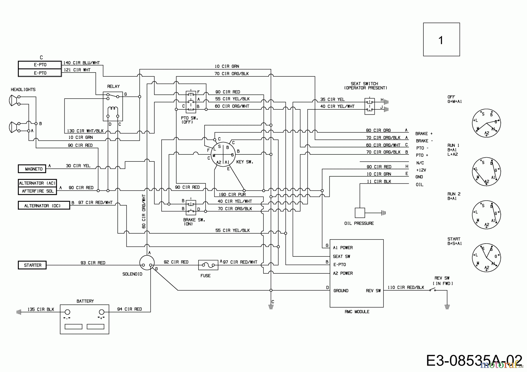
Hier finden Sie die Ersatzteilzeichnung für Troy-Bilt Rasentraktoren TB 4216 13AV90KS309 (2013) Schaltplan. Wählen Sie das benötigte Ersatzteil aus der Ersatzteilliste Ihres Troy-Bilt Gerätes aus und bestellen Sie einfach online. Viele Troy-Bilt Ersatzteile halten wir ständig in unserem Lager für Sie bereit.
| BildNr | Artikel Nummer | Bezeichnung | |
| 1 | 625-04104 | KABELBAUM:NX9:EPTO:RMC:HRM: | |


Qualitätsmanagement
Informieren Sie uns, wenn Sie einen Fehler gefunden haben.

