Einstellungen Computer

Mastercut 2033 B 41AD0UXB659 (2014) Auspuff, Kolben, Kurbelwelle, Vergaser Ersatzteile

Auspuff, Kolben, Kurbelwelle, Vergaser 41AD0UXB659 (2014)

 Mastercut Motorsensen 2033 B 41AD0UXB659  (2014) Auspuff, Kolben, Kurbelwelle, Vergaser

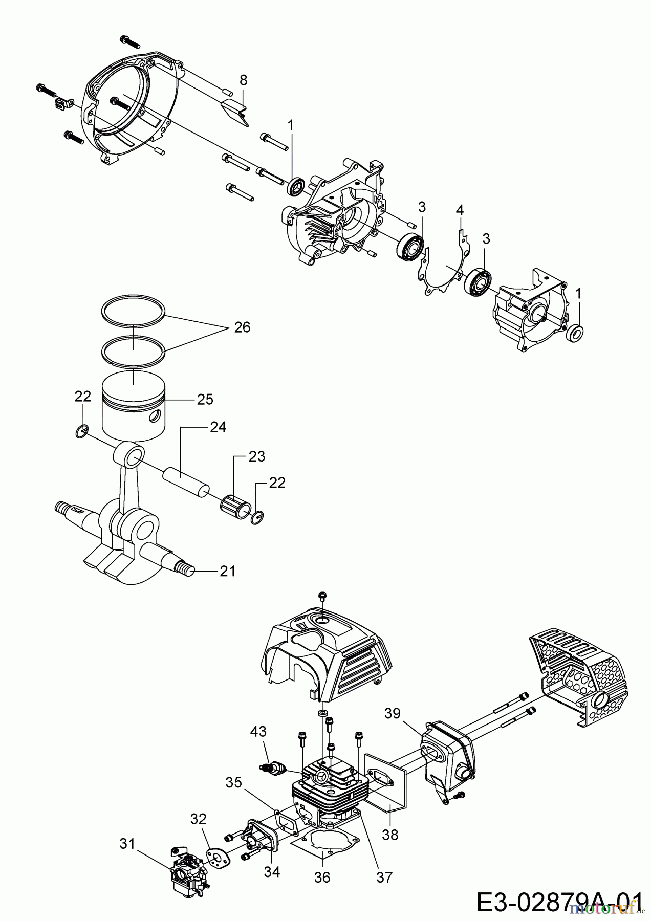
Hier finden Sie die Ersatzteilzeichnung für Mastercut Motorsensen 2033 B 41AD0UXB659 (2014) Auspuff, Kolben, Kurbelwelle, Vergaser. Wählen Sie das benötigte Ersatzteil aus der Ersatzteilliste Ihres Mastercut Gerätes aus und bestellen Sie einfach online. Viele Mastercut Ersatzteile halten wir ständig in unserem Lager für Sie bereit.

Rasen
Bankeinzug, MasterCard, Visa, American Express, PayPal, Nachnahme, Vorauskasse, Sofortüberweisung
Datenschutzerklärung Impressum
Qualitätsmanagement
Informieren Sie uns, wenn Sie einen Fehler gefunden haben.