Cub Cadet Z-Force LZ 60 17BIDAGD010 (2015) Kraftstoffschlauch Ersatzteile
Kraftstoffschlauch 17BIDAGD010 (2015)

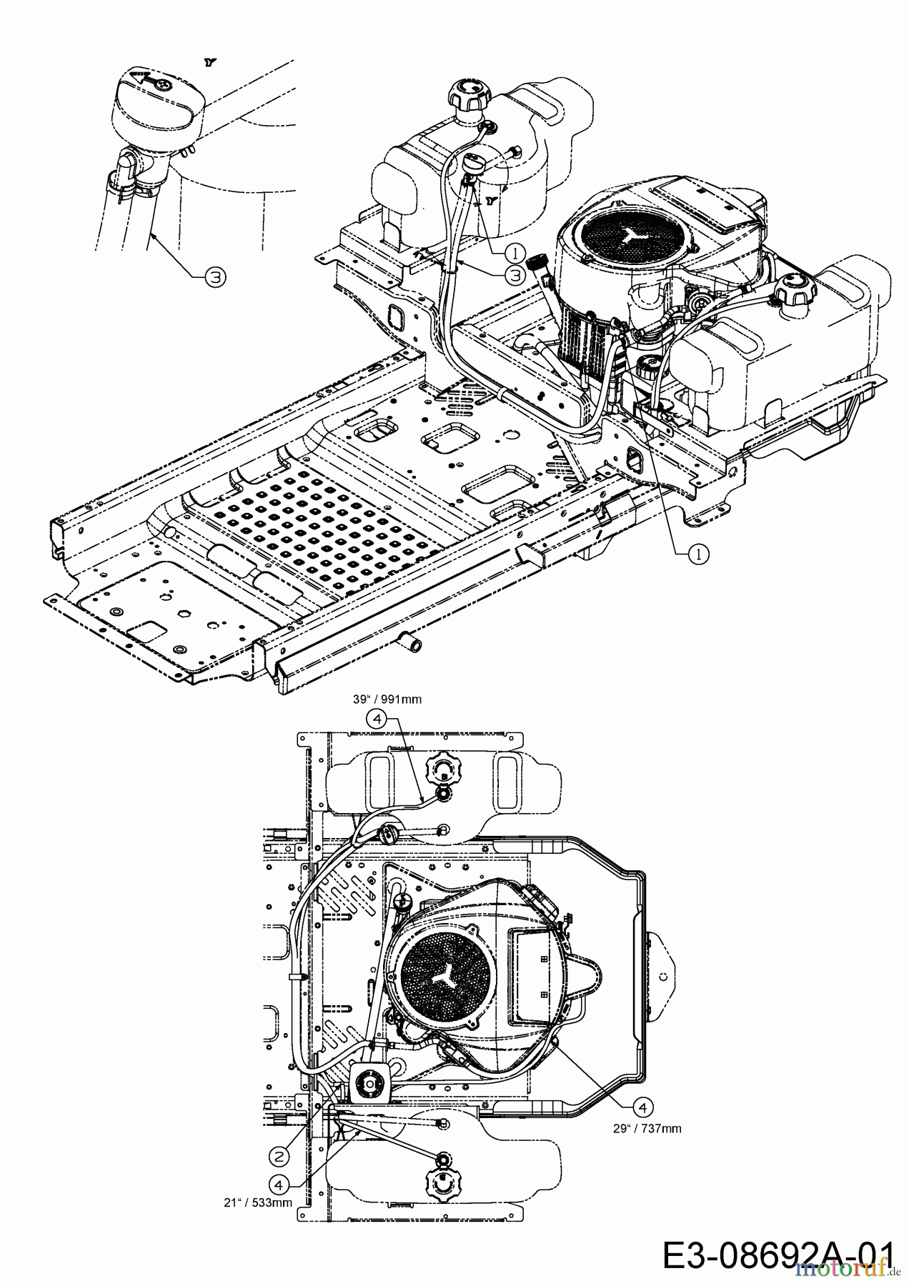
Hier finden Sie die Ersatzteilzeichnung für Cub Cadet Zero Turn Z-Force LZ 60 17BIDAGD010 (2015) Kraftstoffschlauch. Wählen Sie das benötigte Ersatzteil aus der Ersatzteilliste Ihres Cub Cadet Gerätes aus und bestellen Sie einfach online. Viele Cub Cadet Ersatzteile halten wir ständig in unserem Lager für Sie bereit.
| BildNr | Artikel Nummer | Bezeichnung | |
| 1 | ![]() | 726-0205 | SCHLAUCHKLEMME: .490 DIA |
| 2 | 737-04341 | T-STÜCK | |
| 3 | 751-10349 | KRAFTSTOFFSCHLAUCH:DURCHGANG | |
| 4 | 751-12089 | ENTLÜFTUNGSSCHLAUCH | |


Qualitätsmanagement
Informieren Sie uns, wenn Sie einen Fehler gefunden haben.


