Cub Cadet Tank L 60 Commercial 53AN2RTD050 (2015) Kabelbaum Ersatzteile
Kabelbaum 53AN2RTD050 (2015)

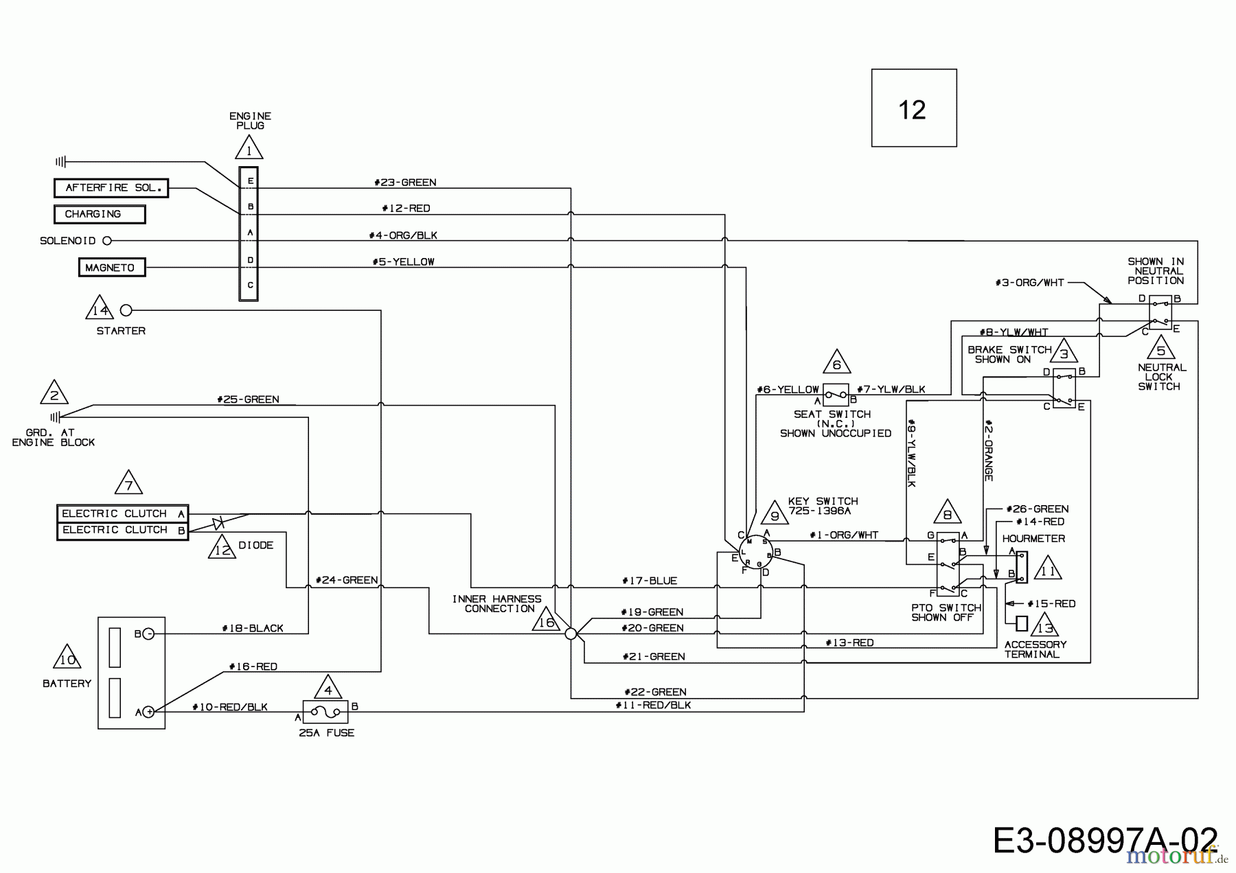
Hier finden Sie die Ersatzteilzeichnung für Cub Cadet Zero Turn Tank L 60 Commercial 53AN2RTD050 (2015) Kabelbaum. Wählen Sie das benötigte Ersatzteil aus der Ersatzteilliste Ihres Cub Cadet Gerätes aus und bestellen Sie einfach online. Viele Cub Cadet Ersatzteile halten wir ständig in unserem Lager für Sie bereit.


Qualitätsmanagement
Informieren Sie uns, wenn Sie einen Fehler gefunden haben.

