Cub Cadet RZT 42 17AFCACS330 (2015) Mähwerk S (42"/107cm) Ersatzteile
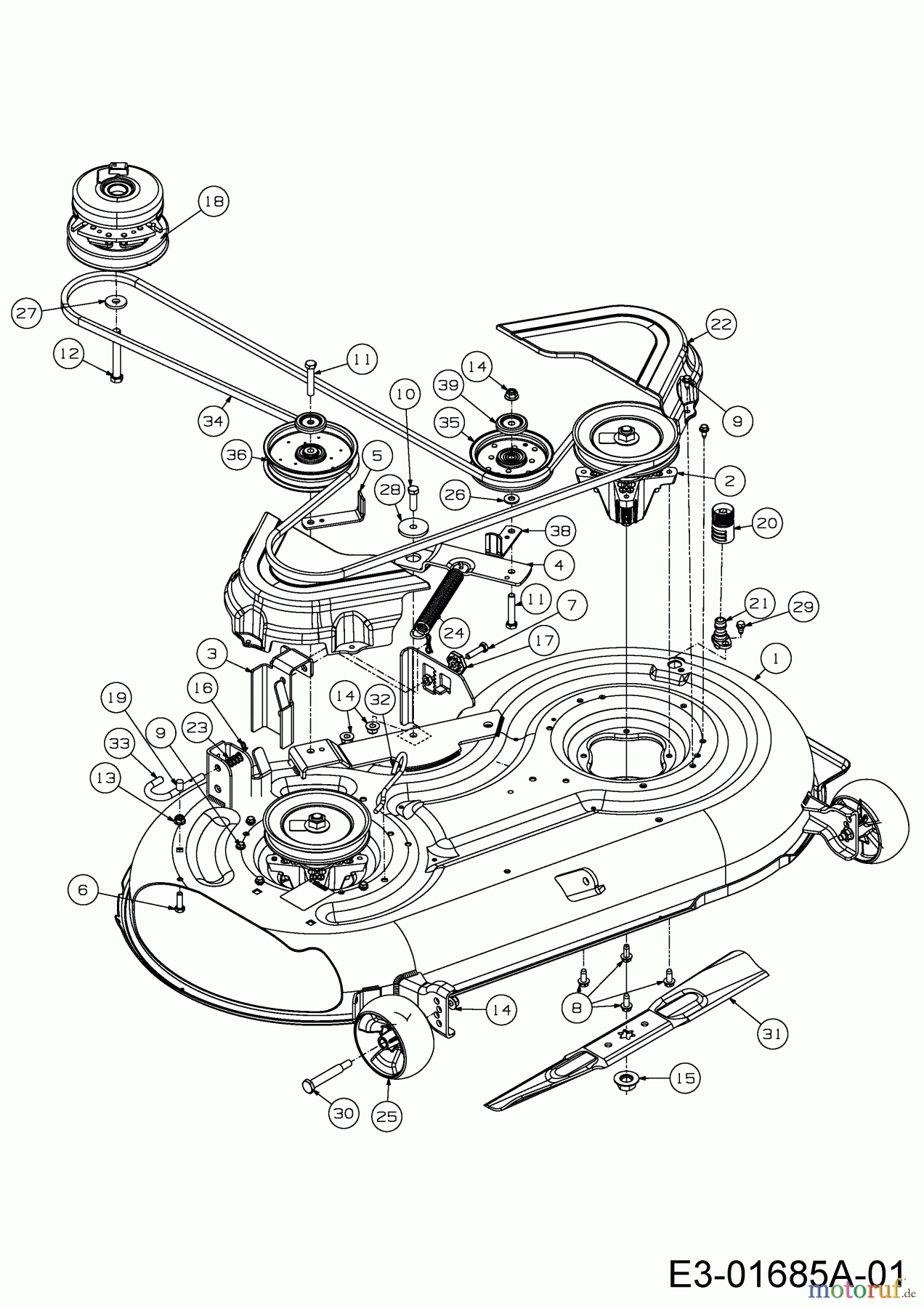
Mähwerk S (42"/107cm) 17AFCACS330 (2015)

Hier finden Sie die Ersatzteilzeichnung für Cub Cadet Zero Turn RZT 42 17AFCACS330 (2015) Mähwerk S (42"/107cm). Wählen Sie das benötigte Ersatzteil aus der Ersatzteilliste Ihres Cub Cadet Gerätes aus und bestellen Sie einfach online. Viele Cub Cadet Ersatzteile halten wir ständig in unserem Lager für Sie bereit.





















