Cub Cadet CC 1019 HG 13BJ93AG603 (2015) Schaltplan Ersatzteile
Schaltplan 13BJ93AG603 (2015)

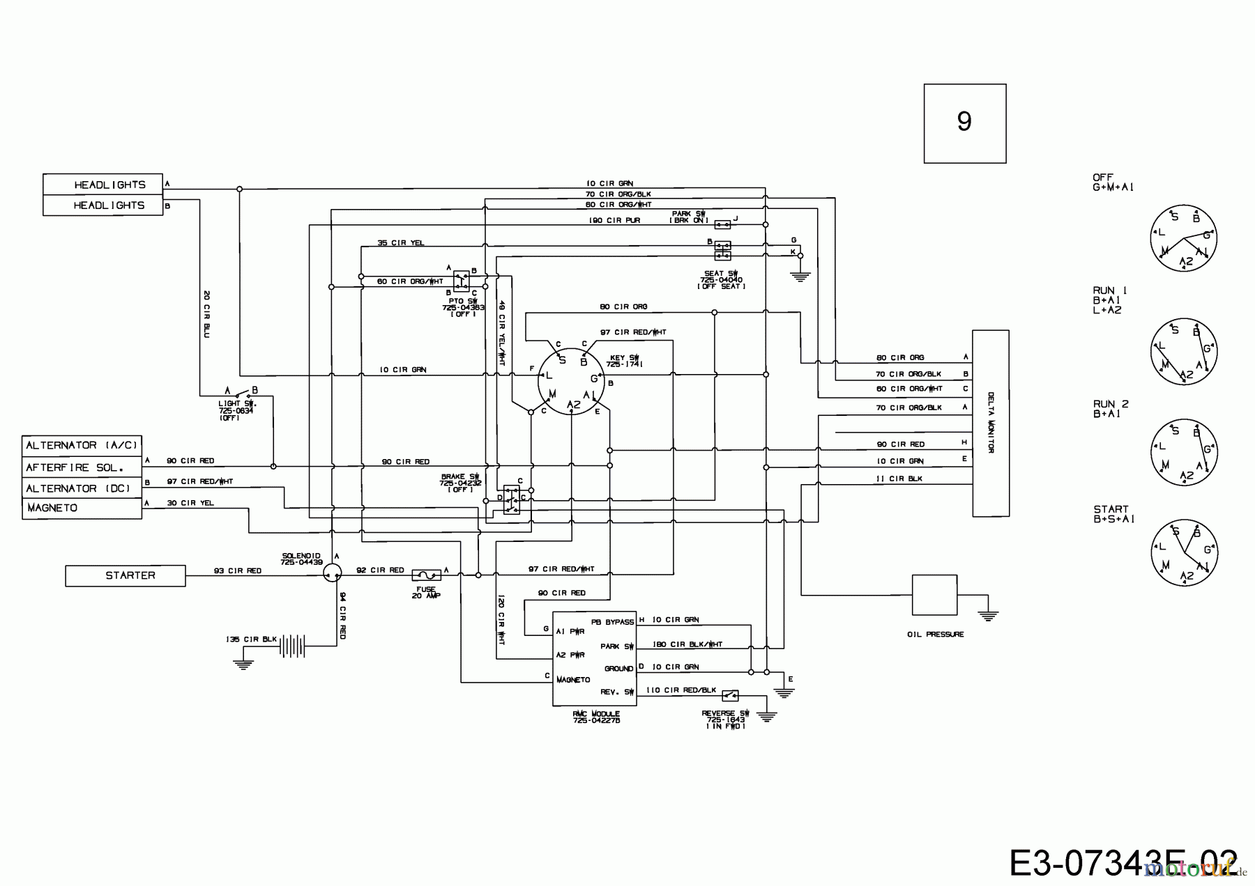
Hier finden Sie die Ersatzteilzeichnung für Cub Cadet Rasentraktoren CC 1019 HG 13BJ93AG603 (2015) Schaltplan. Wählen Sie das benötigte Ersatzteil aus der Ersatzteilliste Ihres Cub Cadet Gerätes aus und bestellen Sie einfach online. Viele Cub Cadet Ersatzteile halten wir ständig in unserem Lager für Sie bereit.
| BildNr | Artikel Nummer | Bezeichnung | |
| 9 | 725-05369 | KABELBAUM:NX9:MPTO:RMC:HRMTR: | |



